EasyManua.ls Logo

Marantz SR6009/U1B - Page 33

Marantz SR6009/U1B
214 pages
Print Icon
To Next Page IconTo Next Page
To Next Page IconTo Next Page
To Previous Page IconTo Previous Page
To Previous Page IconTo Previous Page
Loading...
SUB
MAIN
MAIN
SUB
HDMI IN1
HDMI IN2
HDMI IN3
HDMI IN4
HDMI IN5
HDMI IN6
(CBL/SAT)
(DVD)
(BLU-RAY)
(GAME)
(AUX2)
HDMI IN7
(CD)
HDMI IN8
(AUX1)
AD8195
Buffer
HDMI OUT1
ARC
HDMI ZONE2
HDMI SW2(MN864777)
HDMI TX(MN864777)
DEC_Y_IN
DEC_PB_IN
DEC_PR_IN
DEC_CVBS_IN
VIDEO BLOCK
VIDEO PLD
AD55/058Z-0(ADV8003-8B)
DDR2 SDRAM
512M
DDR2 SDRAM
512M
S. FLASH
128M
MX25L12845EMI-10G
A3R12E40CBF-8E A3R12E40CBF-8E
P3 RX
P2 RX
P1 RX
P0 RX
P0 TX
P1 TX
P3 RX
P2 RX
P1 RX
P0 RX
P0 TX
P1 TX
P1 RX
P0 RX
P3 RX
P2 RX
ADV7850
VIDEO SIGNAL OUT
VIDEO INPUT
DIGITAL AUDIO BLOCK
ANALOG
HDMI Rx
P1 TX
Matrix SW
600MHz
HDMI Tx
Matrix SW
600MHz
600MHz
DDR2 INTERFACE
CONTROL
Video Processor(1080P, OSD, IP Conv,)
4K/2K
4K/2K
WITH TMDS
EPM570F256C4N
Z2HDMISPDIF
RXI2S0~3(DSD1~4), RXSPDIF(DSD0)
HDMI SW1(MN864777)
870PCK
870VD0~7
870PCK
870VD0~7
TXI2S0
TXBCK, TXLRCK
TXI2S0
TXBCK, TXLRCK
RXMCK(DSDMCK), RXBCK(DSDSCK), RXLRCK(DSD5), RXINT0
B0~B7/G0~G7/R0~R7
PCK/HSYNC/VSYNC/DE
B0~B7/G0~G7/R0~R7
PCK/HSYNC/VS
YNC/DE
B0~B7/G0~G7/R0~R7
PCK/HSYNC/VSYNC/DE
B0~B7/G0~G7/R0~R7
PCK/HSYNC/VSYNC/DE
Rxlink0 Txlink0
Txlink1
4K/2K
Up Scaler
(MEDIA Player)
RXI2S0~3(DSD1~4), RXSPDIF(DSD0)
RXMCK(DSDMCK), RXBCK(DSDSCK), RXLRCK(DSD5), RXINT0
Z2_HAINT
105
119
27.000MHz
27.000MHz
27.000MHz
27.000MHz
27.000MHz
uCOM
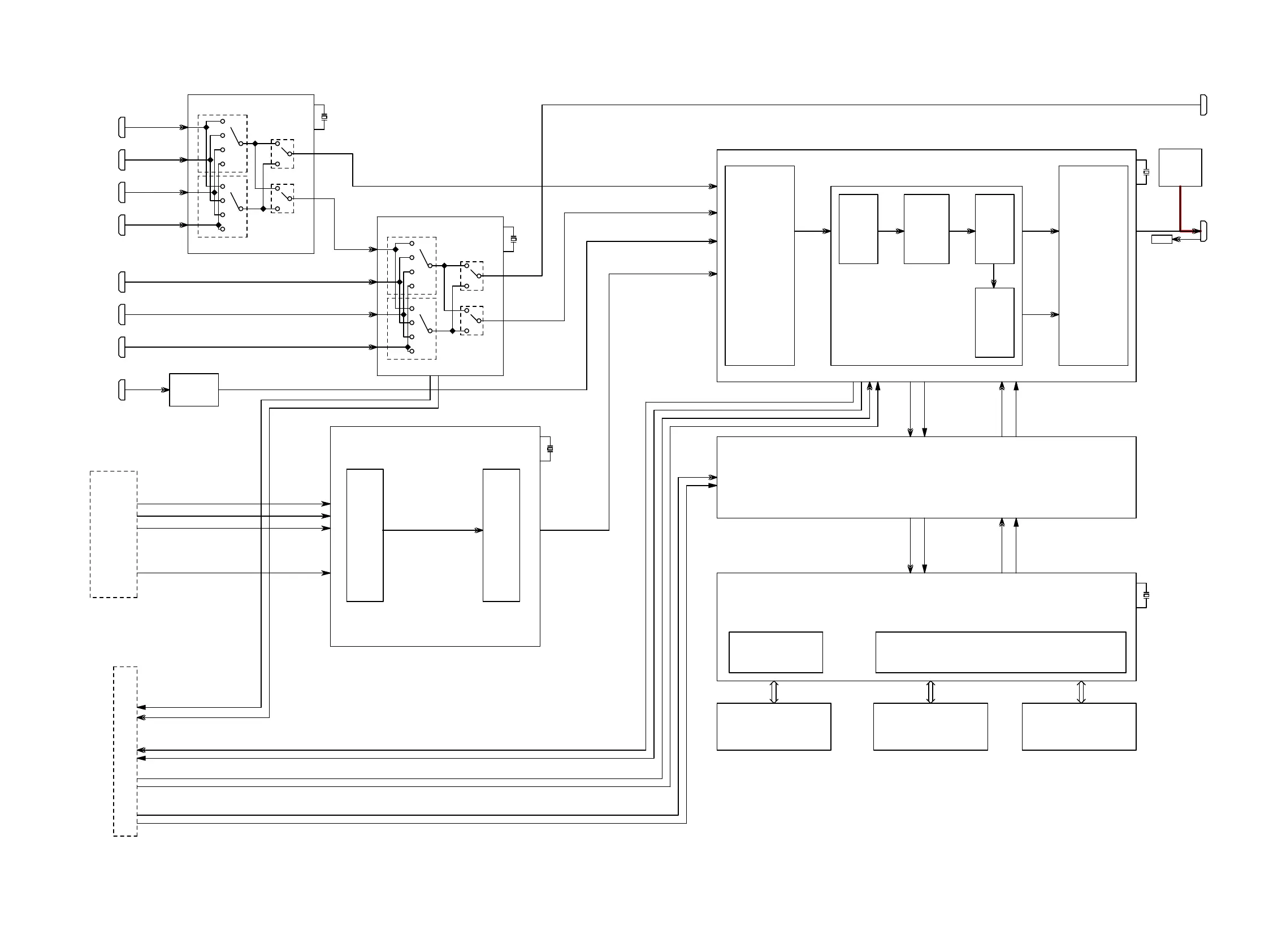
fig.04
SR6009 HDMI VIDEO BLOCK
33

Table of Contents

Related product manuals