EasyManua.ls Logo

Marantz SR6009/U1B - Page 41

Marantz SR6009/U1B
214 pages
Print Icon
To Next Page IconTo Next Page
To Next Page IconTo Next Page
To Previous Page IconTo Previous Page
To Previous Page IconTo Previous Page
Loading...
PRE OUT
29dB
29dB
29dB
29dB
29dB
29dB
29dB
TUNER
TONE
TONE
POWER AMP PART
C
FR
FL
SL
SR
(2SD2560/2SB1647)
R2A15218
DAFL
TONE
VOL IC
SPK OUT_A
DAFR
DAC
DASW1
DASL
DASR
DASBL
DASBR
ANA_FL
ANAFR
TONE
SBL
SBR
ZONE2_L
ZONE2_R
SW1
FL
FR
CEN
SW
SL
SR
SBL
SBR
PHONO
V.AUX
EXTFL
EXTFR
EXTC
EXTSW
EXTSL
EXTSR
EXTSBL
EXTSBR
IN1
IN2
IN3
IN4
IN5
IN6
IN7
IN8
IN9
IN10/REC4
IN11/REC5
INA/REC1
INB/REC2
CBL/SAT
DVD
BLU-RAY
MEDIA
ANALOG INPUT
EXT. INPUT(7.1CH)
MIC(Mini Jack)
(FRONT)
MAIN
SUB
ZONE2 OUT
SW2
FL
FR
C
SL
SR
SBL
SBR
F
H_L
FH_R
ZONE2
FL
FR
CEN
SW1
SL
SR
SBL
SBR
AMPFL
AMPFR
AMPC
AMPSL
AMPSR
AMPSBL
AMPSBR
PREFL
PREFR
PREC
PRESL
PRESR
PRESBL
PRESBR
Z2L
Z2R
EXTFL/EXTC
ZONE2_L/R
ZONE2_L
ZONE2_R
MIC
ANA_FL/FR
EXTFL
EXTFR
EXTC
EXTSW
EXTSL
EXTSR
EXTSBL
EXTSBR
PHONO
CBL/SAT
DVD
BLU-RAY
MEDIA
CD
V.AUX
TUNER
DAFL
DAFR
DAC
DASW1
DASL
DASR
DASBL
DASBR
ADINL
ADINR
PRESW1
PRESW2
CD
MONO
HPF
HPF
NJW1194VVOL IC
SPK OUT
Assignable
TUNER(FM/AM)
DAZ2
DIGITAL AUDIO BLOCK
HPR
GND
HPL
H/P OUT
ATT.
- Front Height
- Front Wide
- B
i-Amp
- ZoneII
- Front B
46,47
54,55
ADC
93
94
95
96
97
98
99
100
58,59
60,61
62,63
64,65
66,67
68,69
70,71
72,73
75,76
78,79
81,82
83,84
85,86
21
23
17
15
9
11
3
5
42
43
38
39
40
41
36
37
45
44
DAF
32
29
31
33
1
4
2
3
MIX
MONO
MIX
25
8
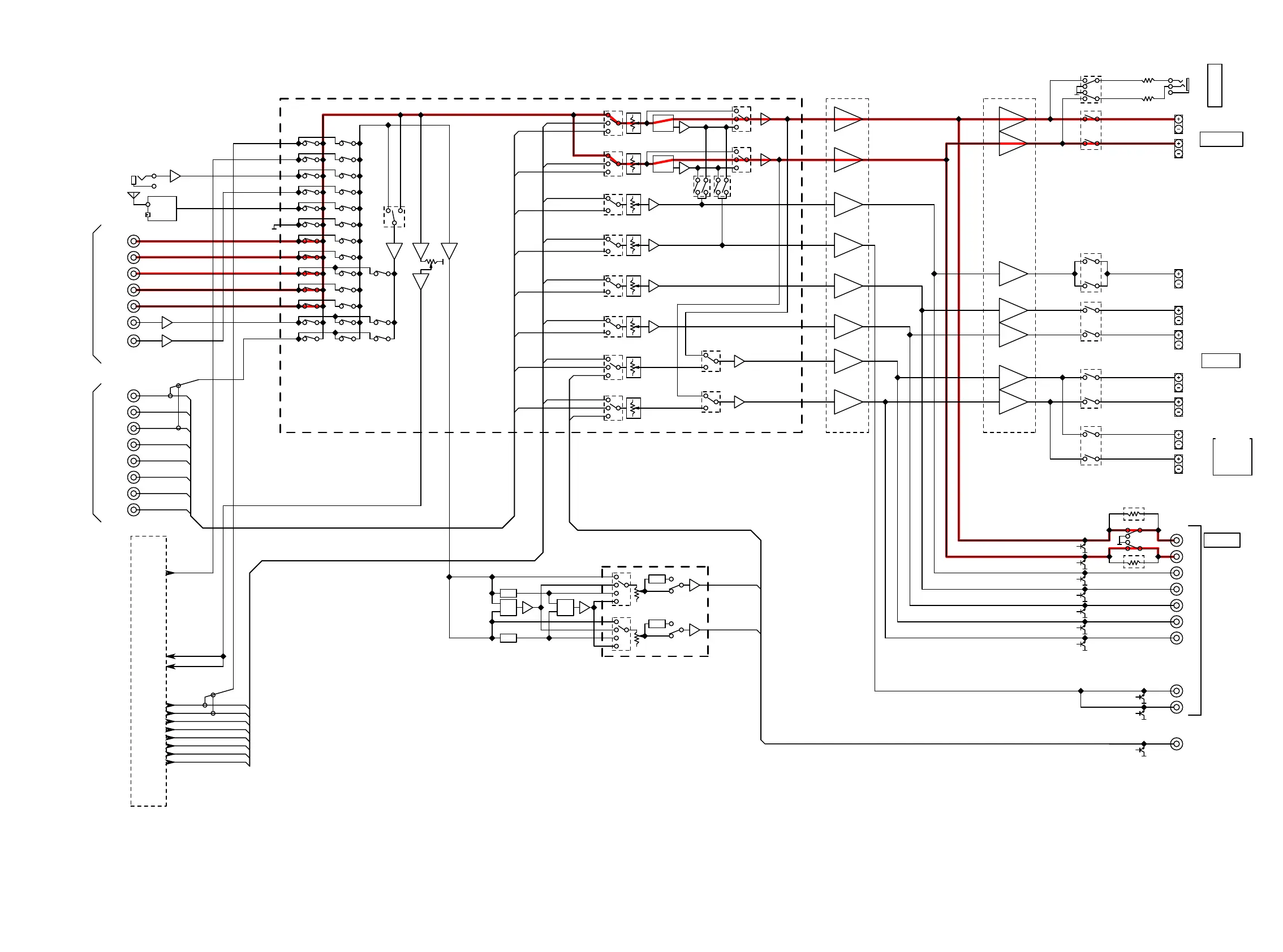
fig.09
SR6009 ANALOG AUDIO BLOCK
HDAM PART
NOT USED
NOT USED
41

Table of Contents

Related product manuals