EasyManua.ls Logo

Marantz UD9004/U1B - Page 151

Marantz UD9004/U1B
190 pages
Print Icon
To Next Page IconTo Next Page
To Next Page IconTo Next Page
To Previous Page IconTo Previous Page
To Previous Page IconTo Previous Page
Loading...
87654321
A
B
C
D
E
F
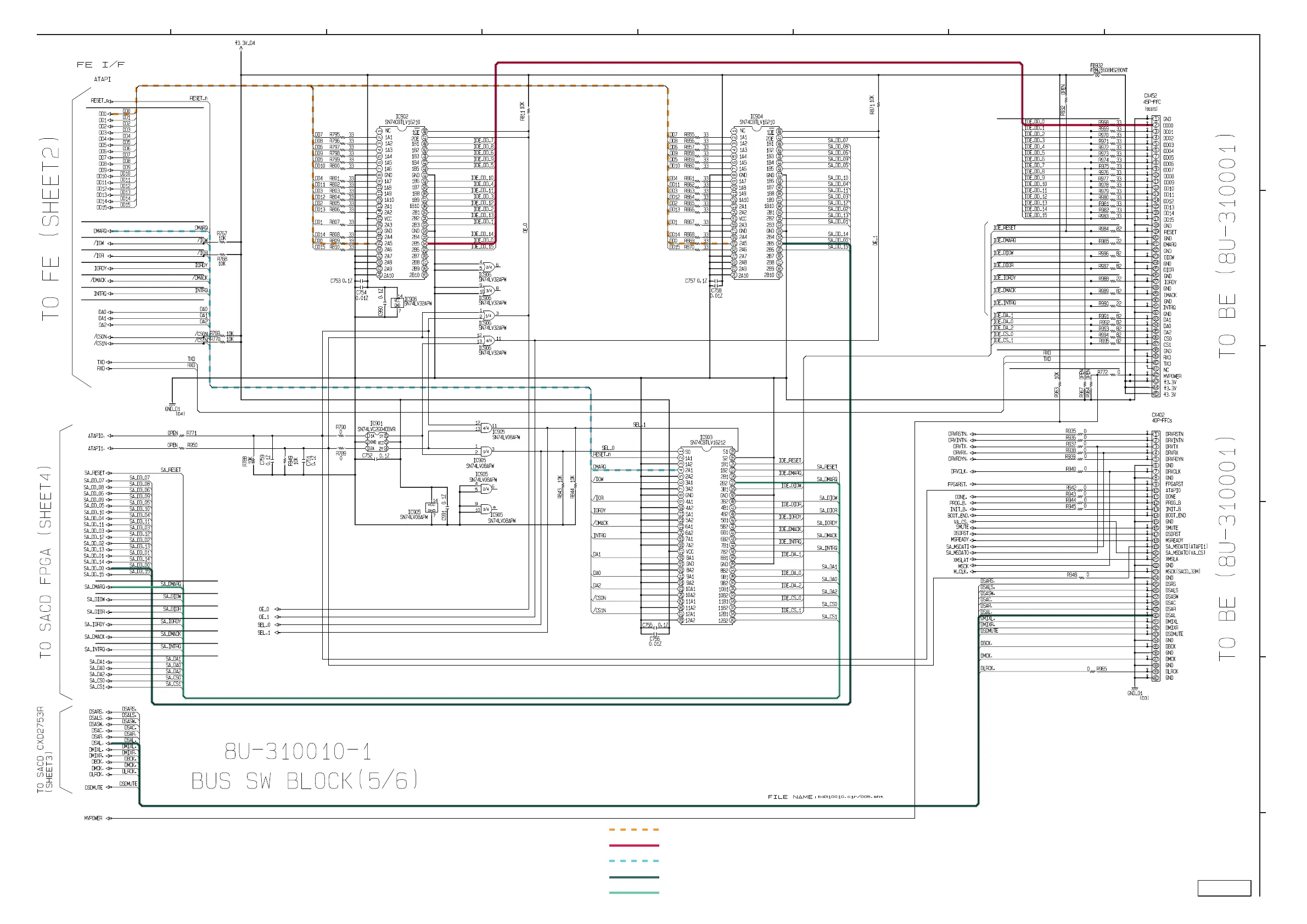
SCHEMATIC DIAGRAMS (5/44)
8U-310010-1 FE/SACD UNIT (5/6)
BUS SW BLOCK
SACD CONTROL DATA OUTPUT SIGNAL LINE
BD/DVD/CD PLAY DATA OUTPUT SIGNAL LINE
BD/SACD/DVD/CD PLAY DATA OUTPUT SIGNAL LINE
BD/SACD/DVD/CD CONTROL DATA OUTPUT SIGNAL LINE
SACD PLAY DATA OUTPUT SIGNAL LINE
UD9004

Related product manuals