EasyManua.ls Logo

Marantz UD9004/U1B - Page 152

Marantz UD9004/U1B
190 pages
Print Icon
To Next Page IconTo Next Page
To Next Page IconTo Next Page
To Previous Page IconTo Previous Page
To Previous Page IconTo Previous Page
Loading...
+3.3V
+3.3V
+1.5V
+1.5V
+1.8V
+1.2V
+2.5V
+3.3V
+12V
+6V
+5V
87654321
A
B
C
D
E
F
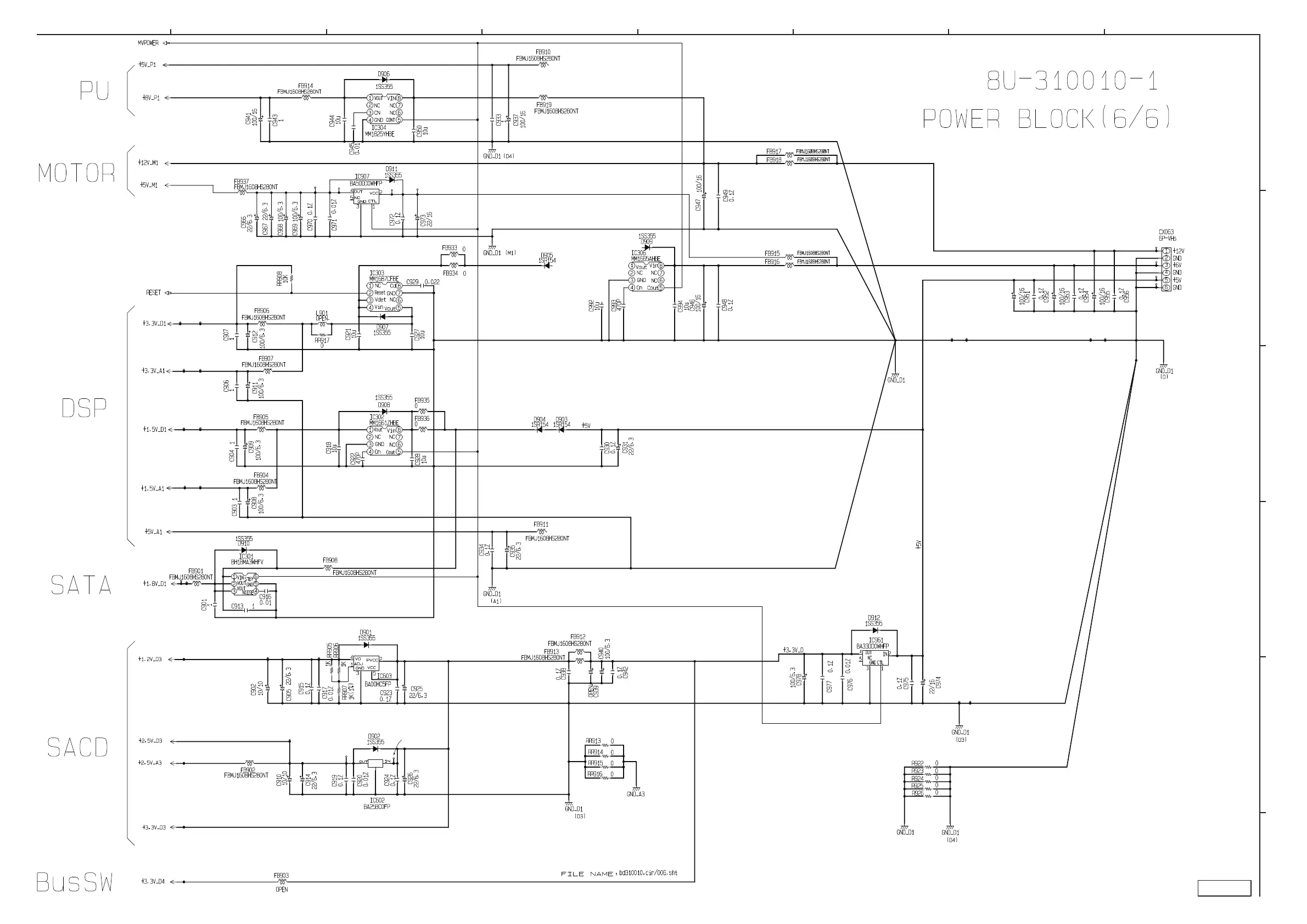
SCHEMATIC DIAGRAMS (6/44)
8U-310010-1 FE/SACD UNIT (6/6)
POWER BLOCK
UD9004

Related product manuals