EasyManua.ls Logo

Marantz UD9004/U1B - Page 154

Marantz UD9004/U1B
190 pages
Print Icon
To Next Page IconTo Next Page
To Next Page IconTo Next Page
To Previous Page IconTo Previous Page
To Previous Page IconTo Previous Page
Loading...
87654321
A
B
C
D
E
F
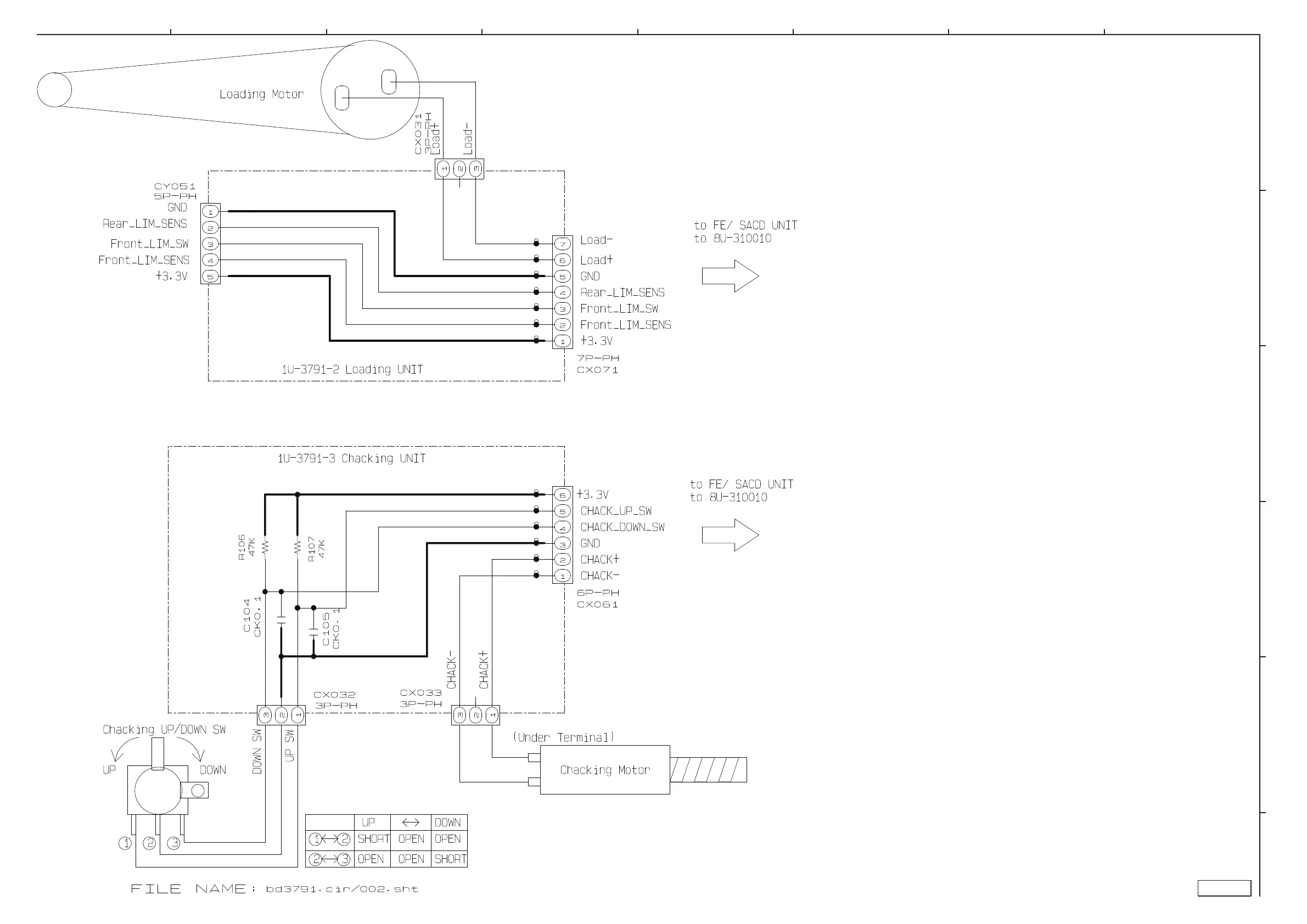
SCHEMATIC DIAGRAMS (8/44)
1U-3791-2 Loading UNIT
1U-3791-3 Chacking UNIT
UD9004

Related product manuals