EasyManua.ls Logo

Marantz UD9004/U1B - Page 167

Marantz UD9004/U1B
190 pages
Print Icon
To Next Page IconTo Next Page
To Next Page IconTo Next Page
To Previous Page IconTo Previous Page
To Previous Page IconTo Previous Page
Loading...
87654321
A
B
C
D
E
F
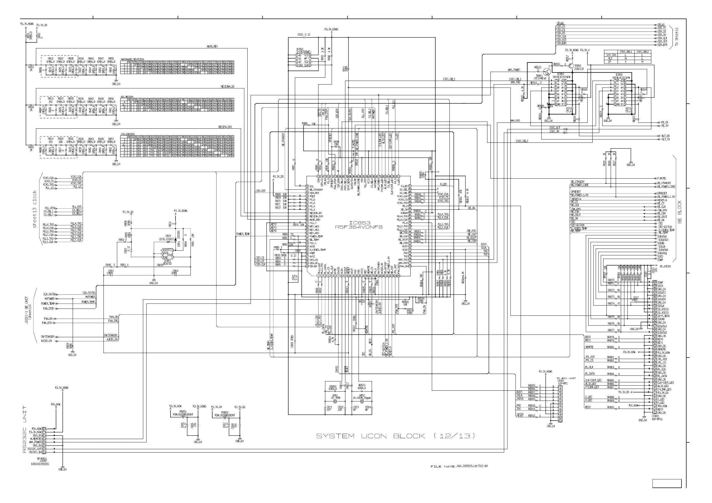
SCHEMATIC DIAGRAMS (21/44)
8U-37AK550001 MAIN UNIT(12/13)
SYSTEM UCON BLOCK
UD9004

Related product manuals