EasyManua.ls Logo

Mark Levinson 536 - Page 11

Mark Levinson 536
98 pages
Print Icon
To Next Page IconTo Next Page
To Next Page IconTo Next Page
To Previous Page IconTo Previous Page
To Previous Page IconTo Previous Page
Loading...
11
N
0
536 MONAURAL / N
0
534 DUAL-MONAURAL AMPLIFIER / OWNER’S MANUAL
ENGLISH
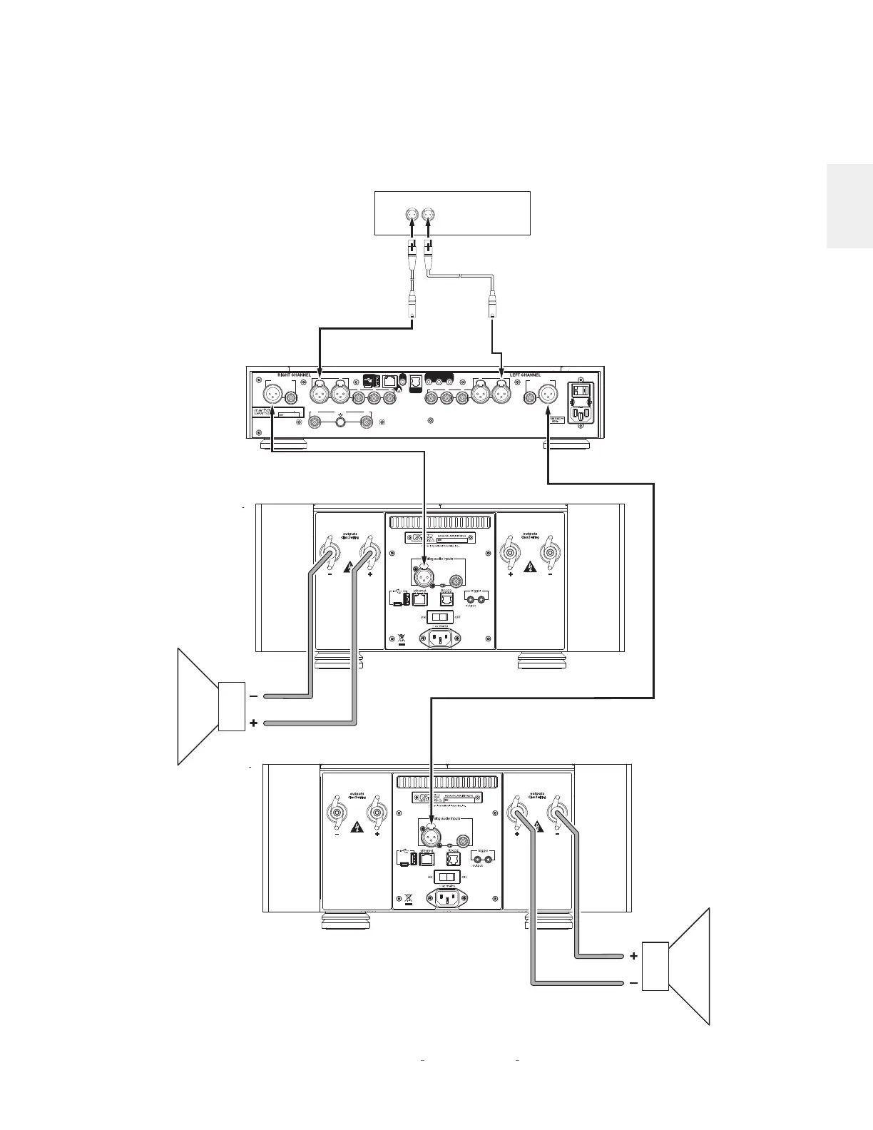
CONNECTIONS
input
+
-
+
-
input
+
-
+
-
~ ac mains
Harman Internat ional Industries, Inc.
120W
IR
RS-232
out
in
trigger
out
analog audio inputs
12
345
main outputs
analog audio inputs
1 2
3 4 5
main outputs
phono inputs
ground tfelthgir
Designed and assembled in U.S.A.
PREAMPLIFIER N
S/N
O
523
SOURCE PLAYERS
N
O
536
AMPLIFIER
PREAMPLIFIER OR SOURCE
PLAYER WITH VOLUME CONTROL
N
O
536
AMPLIFIER
LEFT
SPEAKER
RIGHT
SPEAKER

Other manuals for Mark Levinson 536

Related product manuals