EasyManua.ls Logo

Mark Levinson 536 - Page 71

Mark Levinson 536
98 pages
Print Icon
To Next Page IconTo Next Page
To Next Page IconTo Next Page
To Previous Page IconTo Previous Page
To Previous Page IconTo Previous Page
Loading...
71
N
0
536 单声道/N
0
534 双单声道功放 / 用户手册
简体中文
input
+
-
+
-
input
+
-
+
-
~ ac mains
Harman Internat ional Industries, Inc.
120W
IR
RS-232
out
in
trigger
out
analog audio inputs
12
345
main outputs
analog audio inputs
1 2
3 4 5
main outputs
phono inputs
ground tfelthgir
Designed and assembled in U.S.A.
PREAMPLIFIER N
S/N
O
523
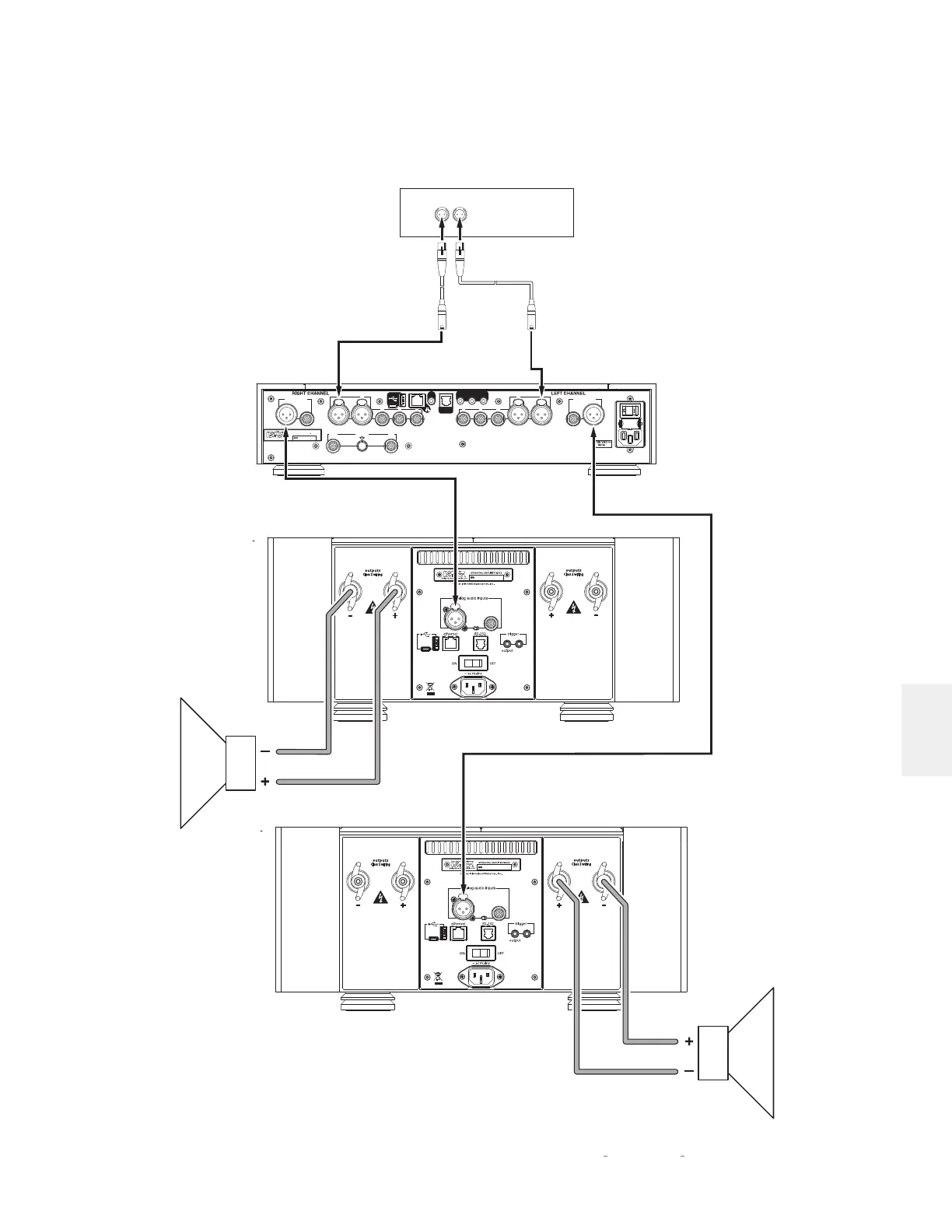
信号源播放器
N
O
536
功放
带音量控制的前置功
放或信号源播放器
N
O
536
功放
左扬声器
右扬声器
连接

Other manuals for Mark Levinson 536

Related product manuals