EasyManua.ls Logo

Marksman M5A - Page 5

Default Icon
20 pages
Print Icon
To Next Page IconTo Next Page
To Next Page IconTo Next Page
To Previous Page IconTo Previous Page
To Previous Page IconTo Previous Page
Loading...
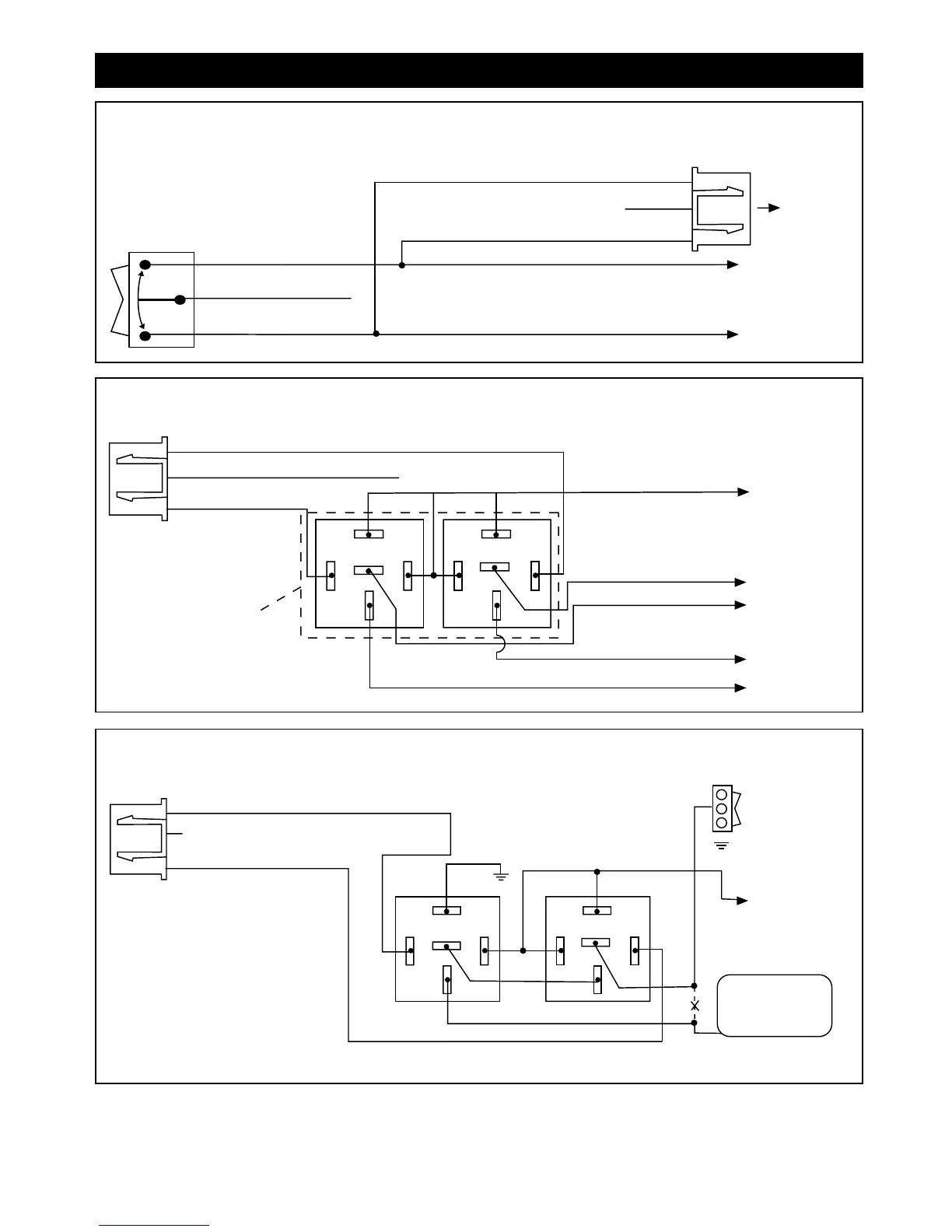
3 Wire Ground Trigger Door Lock System
(
-
) Lock Out
Ground Input
(
-
) Unlock Out
To Door Lock
Control Relays
To Alarm
Lock Control
Switch
Black Wire: Connect to Unlock
Red Wire: Connect to Lock
Orange Wire: No Connection
Black 3-Pin
Plug
5 Wire Ground at Rest Locking Systems
87
87A
85
86
30
87
87A
85
86
30
To +12 Volts
(Battery +)
To Power
Lock Switch
To Power
Lock Motors
Black Wire: Unlock
Red Wire: Lock
Orange Wire: To +12 Volts
White Wire: Lock
Brown Wire: Unlock
Green Wire: Lock
Blue Wire: Unlock
Violet Wire
Black
3-Pin
Plug
ALA-DL1
Relay Pack
Note: Orange wire from ALA-DL1
must be connected to +12V
5
Step 4: Optional Accessory Connections (continued)
Mercedes Door Lock Activation
Door Lock
Switch
Unlock
Lock
B+
87
87A
85
86
30
87
87A
85
86
+
++--
To +12 Volts
(Battery +)
Door Lock
Compressor
Cut
Green Wire
Black Wire: Unlock
Unlock
Lock
Red Wire: Lock
Orange Wire: No Connection
Black
3-Pin
Plug
M5A-IM 9/10/04 9:27 AM Page 5

Related product manuals