EasyManua.ls Logo

Marksman M5A - Page 6

Default Icon
20 pages
Print Icon
To Next Page IconTo Next Page
To Next Page IconTo Next Page
To Previous Page IconTo Previous Page
To Previous Page IconTo Previous Page
Loading...
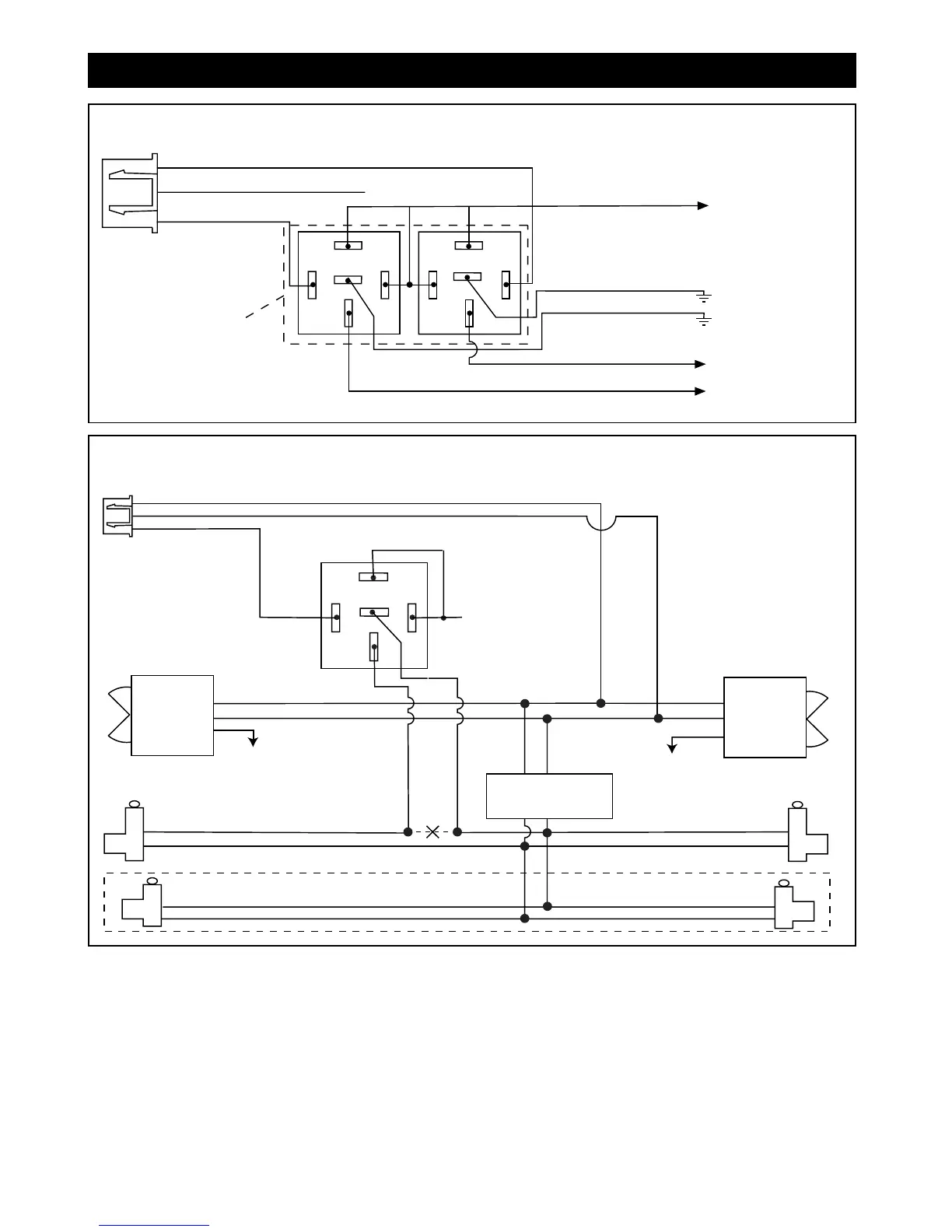
Unlock Driver's Door First for 3-Wire Negative Door Lock Systems
Red Wire Lock All Doors
Black Wire
Unlock
Drivers
Door
87
87A
85
86
30
Orange Wire Unlock Remaining Doors
Unlock Wire
Passenger's Door
Lock
Unlock
To +12V
or Ground
To +12V
or Ground
Driver's
Door
Rear Door
Passenger
Door Switch
Door Lock Relay
Control Module
Lock
Unlock
+12V
Must Add
ALA984H Relay
Drivers
Door
Switch
Cut
Step 4: Optional Accessory Connections (continued)
6
Newly Installed Power Door Lock Motors
87
87A
85
86
30
87
87A
85
86
30
To +12 Volts
(Battery +)
To Ground
To Newly
Installed Power
Door Lock Motors
Black Wire: Unlock
Red Wire: Lock
White Wire
Brown Wire
Green Wire: Lock
Blue Wire: Unlock
Violet Wire
Black
3-Pin
Plug
ALA-DL1
Relay Pack
Note: Orange wire from ALA-DL1
must be connected to +12V
Orange Wire: To +12 Volts
M5A-IM 9/10/04 9:27 AM Page 6

Related product manuals