EasyManua.ls Logo

Maxon EPOS 50/5 - SSI Absolute Encoder; Figure 3-21 SSI Absolute Encoder Data Input; Figure 3-22 SSI Absolute Encoder Clock Output; Table 3-31 SSI Absolute Encoder Specification

Maxon EPOS 50/5
76 pages
Print Icon
To Next Page IconTo Next Page
To Next Page IconTo Next Page
To Previous Page IconTo Previous Page
To Previous Page IconTo Previous Page
Loading...
Setup
Connections
EPOS4 50/5 Hardware Reference
CCMC | 2022-04 | rel10445
3-35
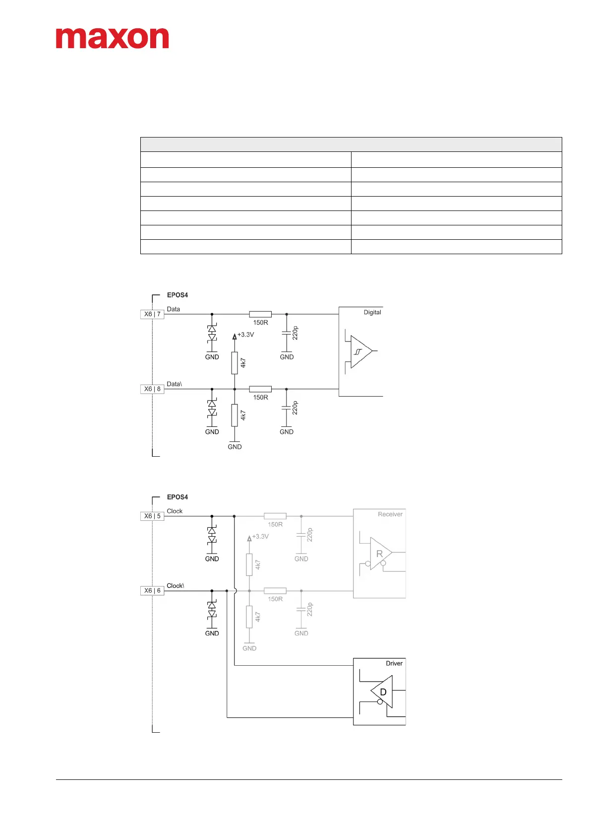
3.3.6.2 SSI Absolute Encoder
Table 3-31 SSI absolute encoder specification
Figure 3-21 SSI absolute encoder data input
Figure 3-22 SSI absolute encoder clock output
SSI absolute encoder
Auxiliary output voltage (V
Aux
)
+5 VDC
Max. auxiliary supply current 150 mA
Min. differential input voltage ±200 mV
Min. differential output voltage ±1.8 V @ external load R=54 Ω
Max. output current 40 mA
Line receiver (internal) EIA RS422 standard
Encoder input/output frequency 0.4… 2 MHz

Table of Contents

Related product manuals