EasyManua.ls Logo

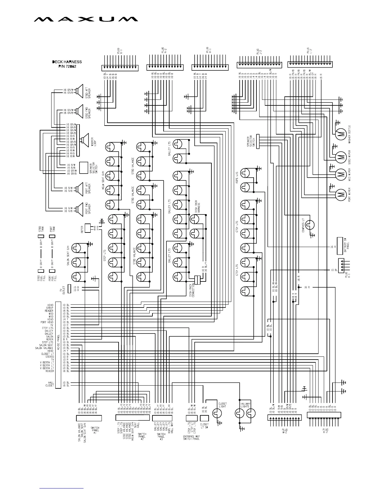
Maxum 4100 SCB - V-berth Deck Harness Diagram

Default Icon
56 pages
Print Icon
To Next Page IconTo Next Page
To Next Page IconTo Next Page
To Previous Page IconTo Previous Page
To Previous Page IconTo Previous Page
Loading...
Chapter 4: Wiring Schematics 39
4100 SCB Owners Manual Supplement
Deck Harness

Table of Contents

Related product manuals