EasyManua.ls Logo

Maxum 4100 SCB - Cabin Harness Diagrams

Default Icon
56 pages
Print Icon
To Next Page IconTo Next Page
To Next Page IconTo Next Page
To Previous Page IconTo Previous Page
To Previous Page IconTo Previous Page
Loading...
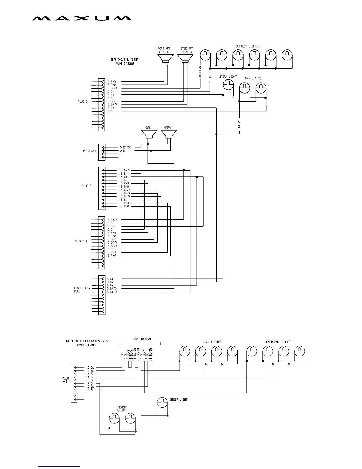
Chapter 4: Wiring Schematics 43
4100 SCB Owners Manual Supplement
Bridge Liner Harness
Mid-berth Harness

Table of Contents

Related product manuals