EasyManua.ls Logo

Maxum 4100 SCB - Berth Deck Harness

Default Icon
56 pages
Print Icon
To Next Page IconTo Next Page
To Next Page IconTo Next Page
To Previous Page IconTo Previous Page
To Previous Page IconTo Previous Page
Loading...
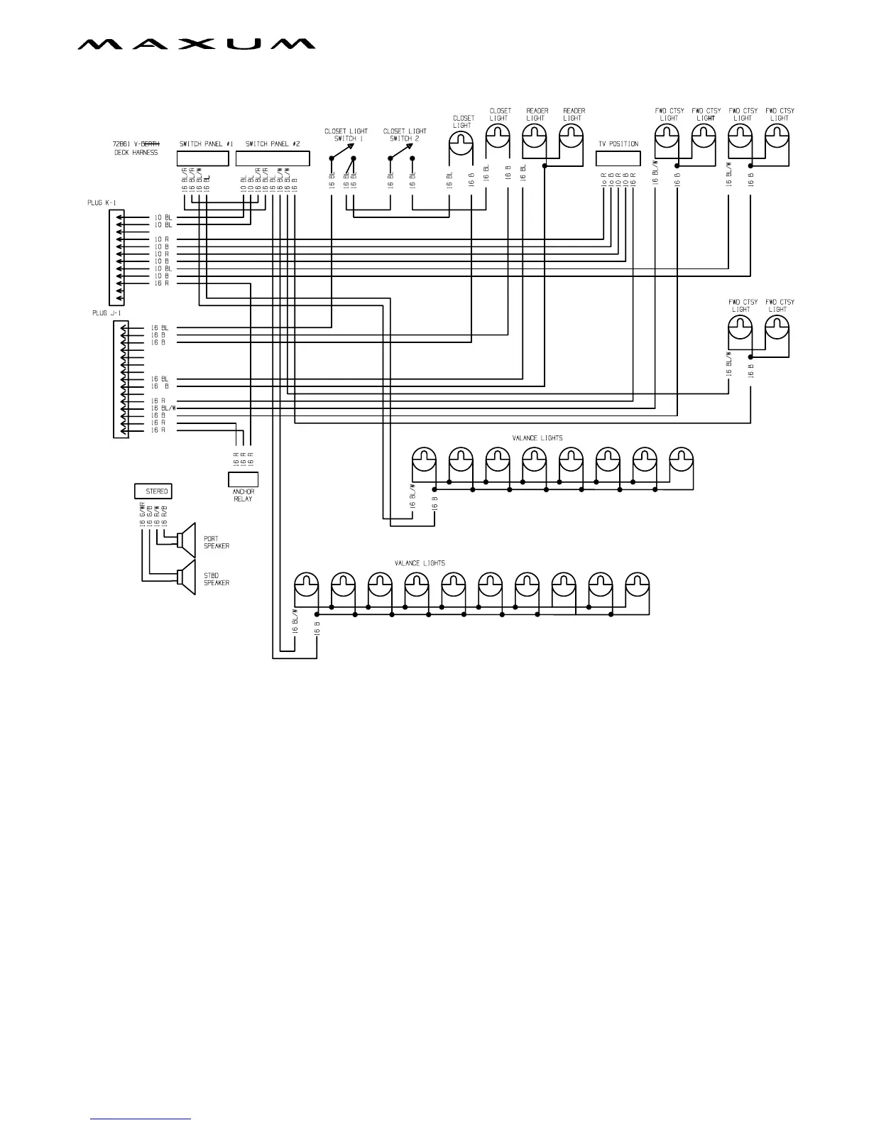
Chapter 4: Wiring Schematics 45
4100 SCB Owners Manual Supplement
V-berth Deck Harness

Table of Contents

Related product manuals