EasyManua.ls Logo

Maytag MXR30 - Wiring Diagrams; Wiring Diagram MXR40 - 65

Maytag MXR30
124 pages
Print Icon
To Next Page IconTo Next Page
To Next Page IconTo Next Page
To Previous Page IconTo Previous Page
To Previous Page IconTo Previous Page
Loading...
6-1
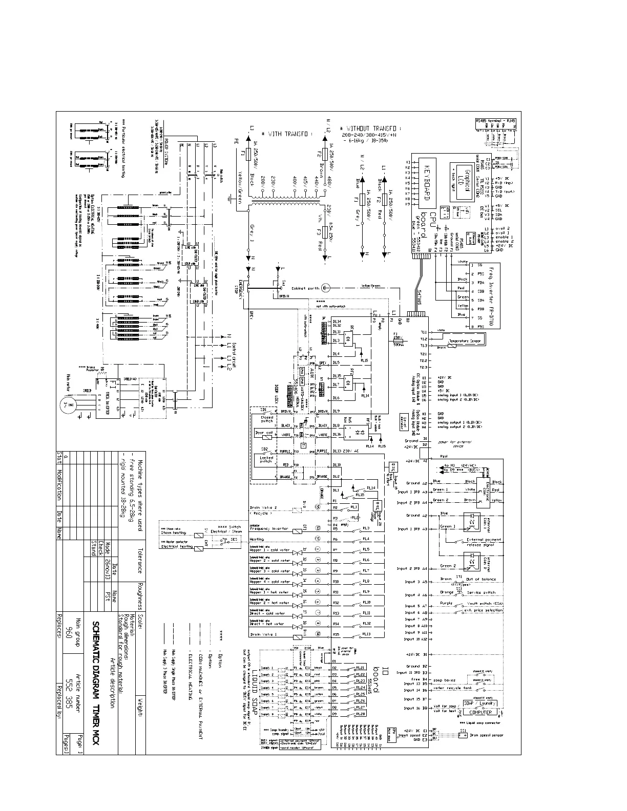
WIRING DIAGRAMS
WIRING DIAGRAM - MXR40 - 65

Table of Contents

Other manuals for Maytag MXR30

Related product manuals