EasyManua.ls Logo

MCE SmarTRAQ - Page 10

Default Icon
44 pages
Print Icon
To Next Page IconTo Next Page
To Next Page IconTo Next Page
To Previous Page IconTo Previous Page
To Previous Page IconTo Previous Page
Loading...
SmarTraq
6 Manual # 42-02-D008 Rev. A2
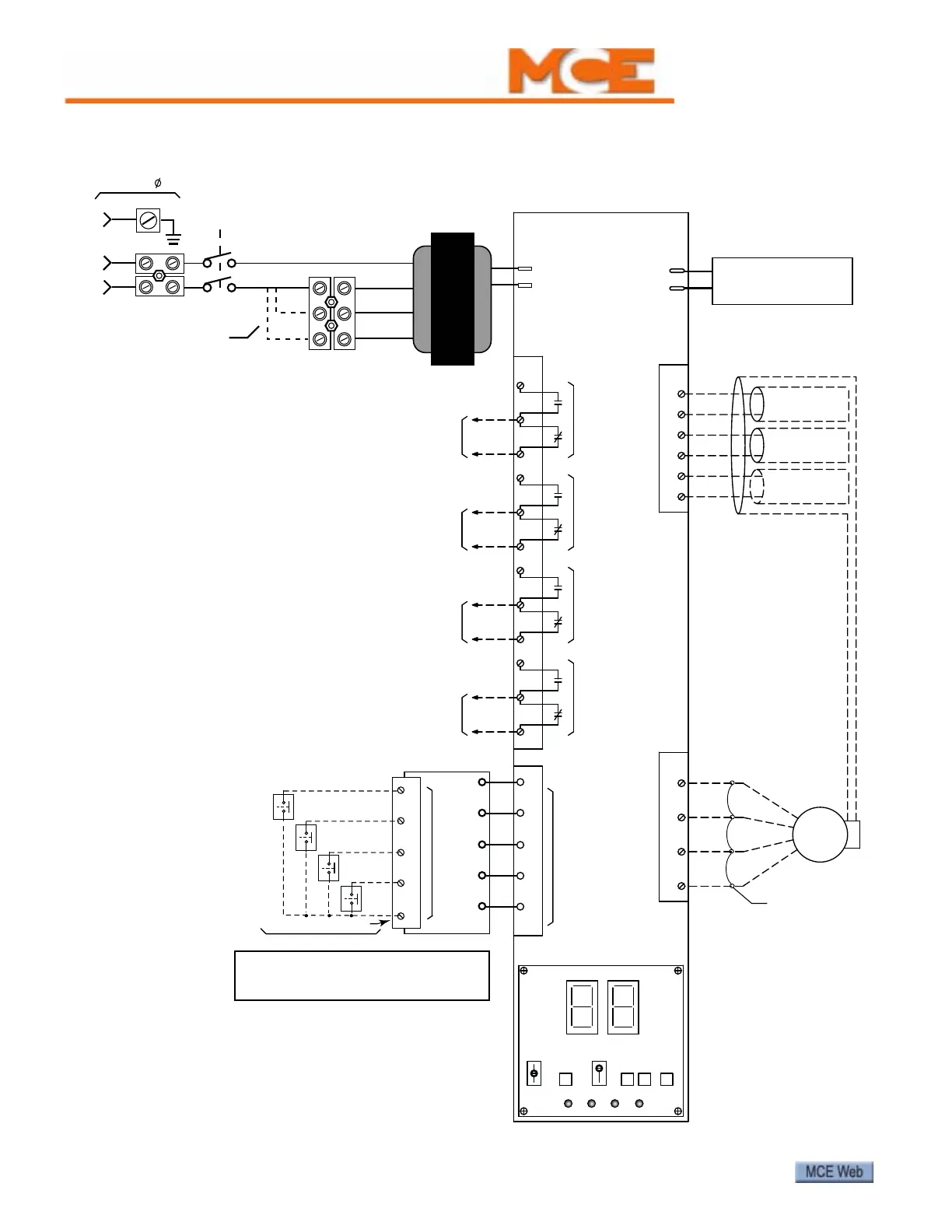
Figure 3. SmarTraq Wiring Diagram
CLOSED LOOP DOOR
SMARTRAQ LIMITLESS
Connect inputs
to the Isolation
board. NEVER
CONNECT
THESE INPUTS
DIRECTLY TO
THE MAIN
(BOTTOM)
CIRCUIT BOARD.
1
2
3
4
TB-2
1
TB-3
R-CLAMP
IN -B
(white)
(black)
5
6
9
7
8
+S
-S
-E
ENC1
ENC0
SOUT
MOTOR
V
U
W
N
DOOR
14 AWG
OPERATOR
OVER VOLTAGE
PROTECTION UNIT
-
-
+
+
ENTER NUDGE REMOTE
LOCAL OPEN
CLOSE
ONBOARD PROGRAMMER
12
11 DOL
6
5
LIMIT 2
TB-4
YELLOW/GREEN
RED
BLUE
BLACK
WHITE
GREEN
10
4
DOOR OPEN
LIMIT OUTPUT
TO CONTROLLER
TO CONTROLLER
(if used)
LIMIT 2 OUTPUT
9
7
8
LIMIT 1 OUTPUT
TO CONTROLLER
(if used)
3
2
1
LIMIT 1
(LP)
(LC)
TO CONTROLLER
LIMIT OUTPUT
DOOR CLOSE
DCL
Off/On Switch
(Circuit Breaker)
GND
208VAC
Voltage
Select
Wire
120VAC
240VAC
0V
28V
Main
Transformer
L1
L2
G
AC In
120/208/240VAC,
50/60Hz, 1
SHIPPED FROM FACTORY
WIRED FOR 120VAC Input
WARNING:
DO NOT APPLY VOLTAGE TO THIS CIRCUIT.
PROVIDE DRY CONTACTS ONLY.
INPUTS
ISOLATION BOARD
9
10
7
8
3
J6
Motor power and encoder
factory-wired for complete
operator installations.
NOTE: If compliance to ASME A17.1-1996 (Rule 210.15),
ASME A17.1-2000/CSA B44-00 (Requirement 2.26.5), or
CSA B44-94 (Requirement 3.12.1.5) is required, you must
provide a door position monitoring switch.
Connect the switch as shown in the elevator control
drawings package.
DOOR
OPEN
DOOR CLOSE
NUDGING
HEAVY DOOR
28VAC (From Pin 10)
User provides relays / wiring
Motor and encoder
leads may be run in
the same conduit.