EasyManua.ls Logo

McIntosh C8 - Operation and Settings Introduction; Headphone Output Usage; Powering On the C8; Trim Functions Overview

McIntosh C8
12 pages
Print Icon
To Previous Page IconTo Previous Page
To Previous Page IconTo Previous Page
Loading...
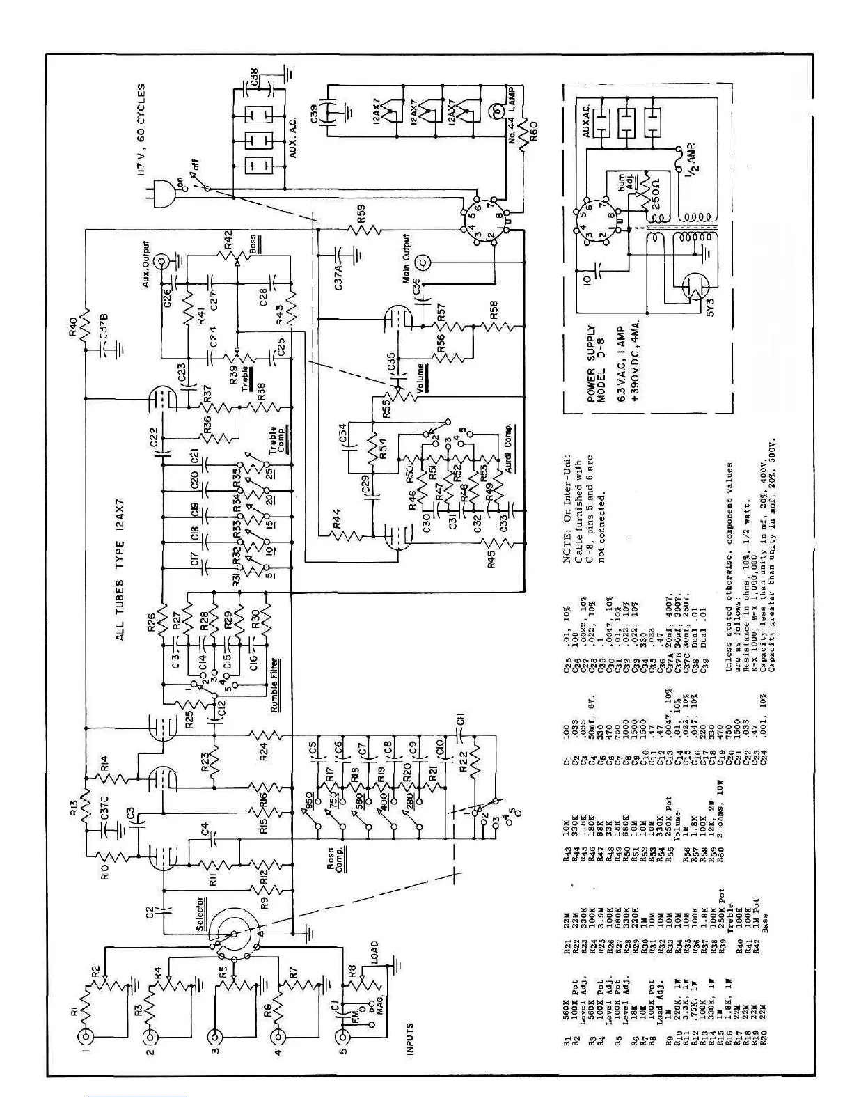
C-l 1.3 45
MCINTOSH LABORATORY, INC.
320 Wate r Street , Binghamton , New York
MODEL C-8P, AUDI O COMPENSATO R
7-7-54
- 11 -

Other manuals for McIntosh C8

Related product manuals