EasyManua.ls Logo

McIntosh MC303 - Page 8

McIntosh MC303
36 pages
Print Icon
To Next Page IconTo Next Page
To Next Page IconTo Next Page
To Previous Page IconTo Previous Page
To Previous Page IconTo Previous Page
Loading...
9
10
2
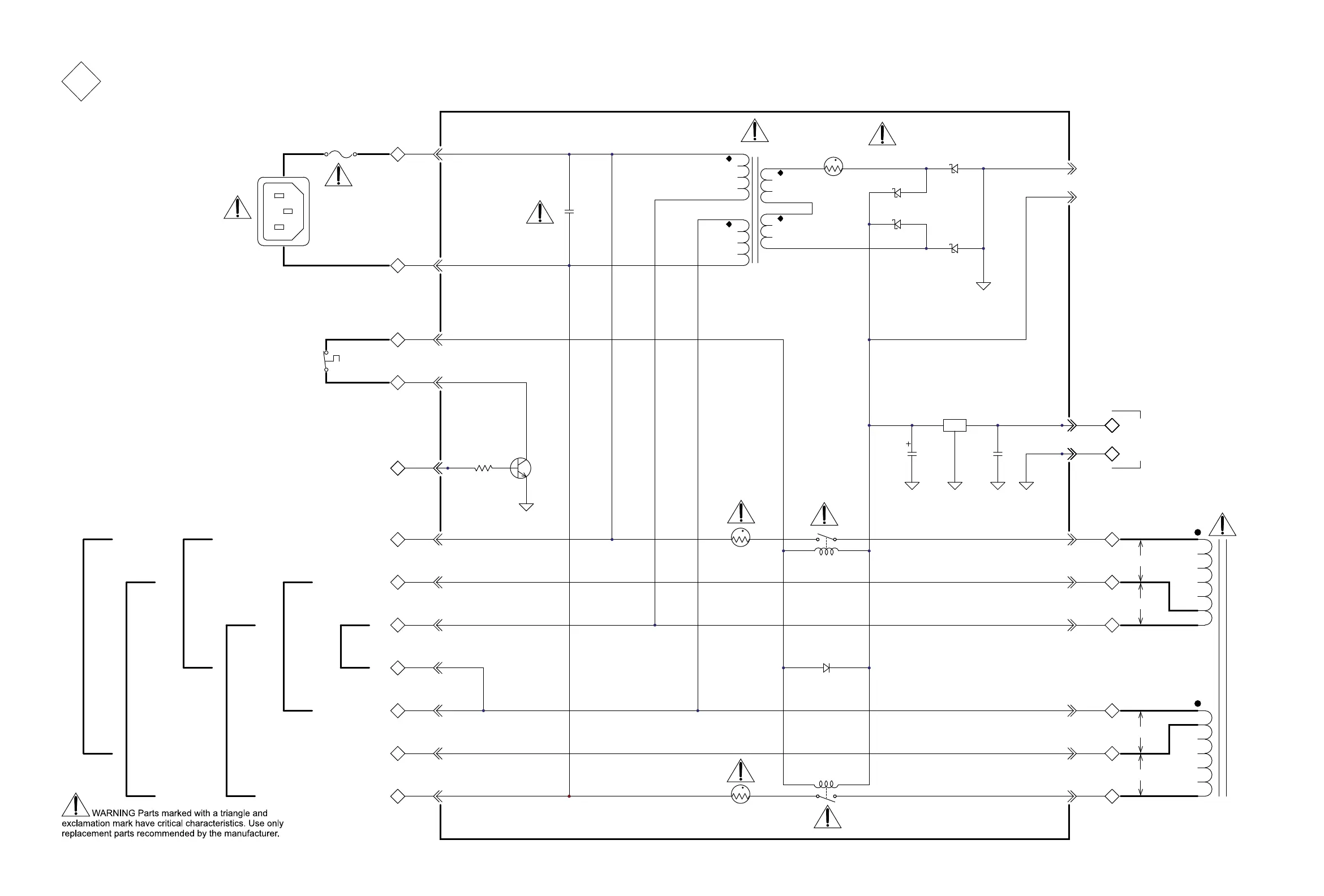
BACKUP POWER SUPPLY
750975 SCH
1
1
1
GRY
BLK/GRY
BLK
J15
J1
J2
3
1
4
2
K2
1
1
1
WHT
WHT/VIO
VIO
J12
J14
J13
1
1
J10
J11
AC N
AC FUSE
100V
20V
100V
20V
1
J3
1
1
J4
J5
1
1
J9
J8
D1
POWER TRANSFORMER PRIMARY
240V220V120V
2
6
8
4
1
3
5
7
PRIMARY
T1
3
1
4
2
K1
100V
t
RT1
t
RT2
J7
1
3300pF
C1
J6
1
J16:1
J16:2
[+] RLY TP [-]
TEST ONLY
NO CONNECTION
2
13
IN OUT
U1
.47uF
C3
.3A
t
R1
3300uF
C2
PGND
1
ORN
J21
9
PWR RLY
1
ORN
J22
1.82k
R2
31
2
Q1
PWR TRANSFORMER
THERMAL SWITCH
J23:11
9
+5VBU
GND
9
J23:1
J23:2
TO DISPLAY
FROM DISPLAY
J23:12
J23:3
J23:4
J23:5
J23:6
J23:7
J23:8
J23:9
J23:10
D4
D5
D2
D3
F1
0V
J4
12V