EasyManua.ls Logo

McIntosh MCC222 - How to Connect

McIntosh MCC222
12 pages
Print Icon
To Next Page IconTo Next Page
To Next Page IconTo Next Page
To Previous Page IconTo Previous Page
To Previous Page IconTo Previous Page
Loading...
7
How to Connect the MCC222
McIntosh Control Center
Figure 1
Left Loudspeaker
12345678901234
12345678901234
12345678901234
12345678901234
12345678901234
12345678901234
12345678901234
12345678901234
12345678901234
12345678901234
12345678901234
12345678901234
12345678901234
Right Loudspeaker
12345678901234
12345678901234
12345678901234
12345678901234
12345678901234
12345678901234
12345678901234
12345678901234
12345678901234
12345678901234
12345678901234
12345678901234
12345678901234
12345678901234
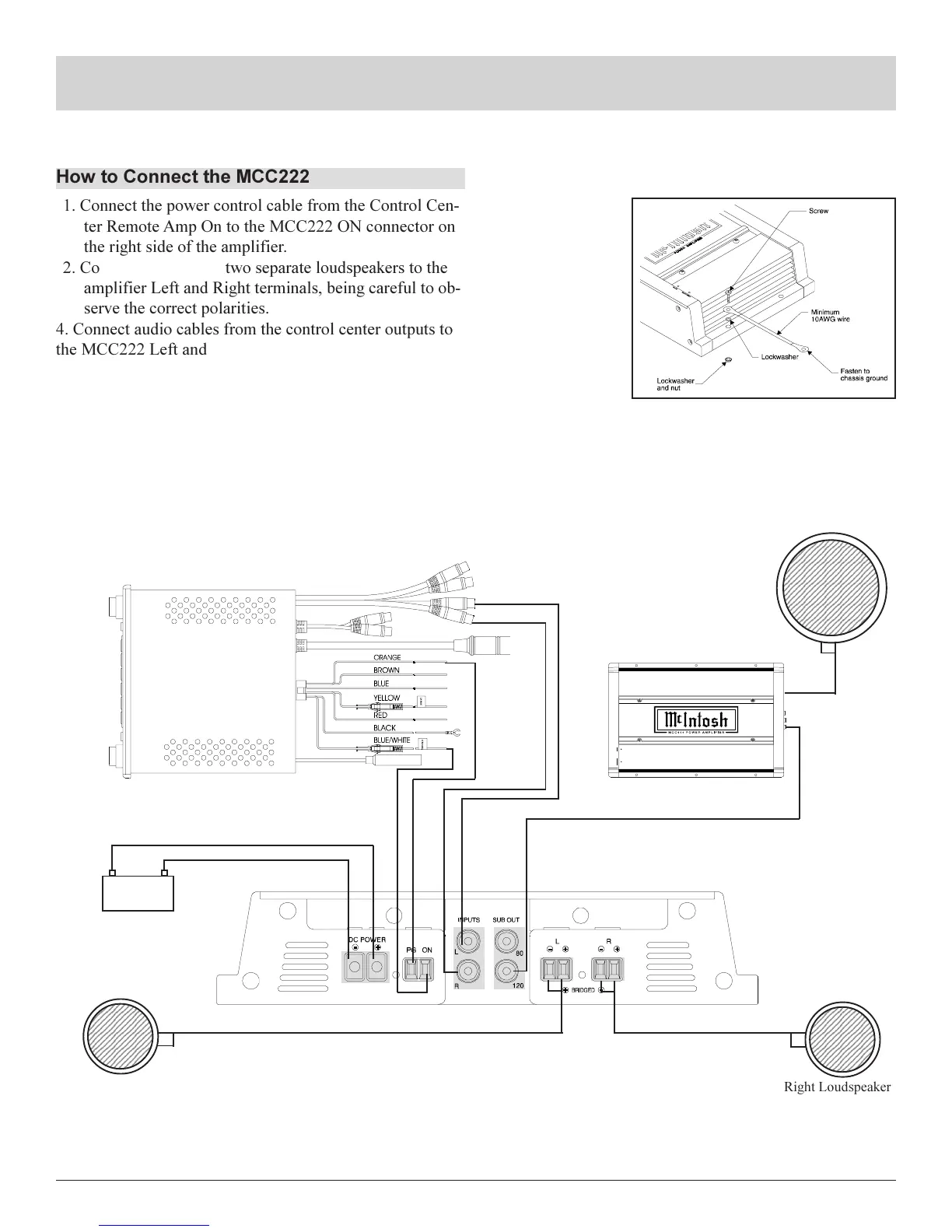
How to Connect the MCC222
1. Connect the power control cable from the Control Cen-
ter Remote Amp On to the MCC222 ON connector on
the right side of the amplifier.
2. Connect cables from two separate loudspeakers to the
amplifier Left and Right terminals, being careful to ob-
serve the correct polarities.
4. Connect audio cables from the control center outputs to
the MCC222 Left and Right Inputs.
Note: All cables should be connected to the amplifier before
connecting the DC power cables to the battery.
5. Connect the MCC222 to the vehicle battery terminals
using a minimum size of 8 AWG cables.
Note: If the amplifier is mounted to an insulated mounting
surface, connect a 10 AWG wire (minimum size) from
Left Output
Right Output
Vehicle
Battery
+
-
the amplifier
chassis
directly to
the vehicle
main frame
using the
hardware
shown in
figure 1.
6. Optional Con-
nections allow
the always ac-
tive 80Hz and 120Hz Subwoofer Outputs to be con-
nected to a separate subwoofer power amplifier, re-
gardless of the MCC222 operating mode used.
12345678901234567890
12345678901234567890
12345678901234567890
12345678901234567890
12345678901234567890
12345678901234567890
12345678901234567890
12345678901234567890
12345678901234567890
12345678901234567890
12345678901234567890
12345678901234567890
12345678901234567890
12345678901234567890
12345678901234567890
12345678901234567890
12345678901234567890
12345678901234567890
12345678901234567890
Subwoofer
Loudspeaker
Optional Second Amplifier