EasyManua.ls Logo

McQuay RAH 047C - Page 74

McQuay RAH 047C
122 pages
Print Icon
To Next Page IconTo Next Page
To Next Page IconTo Next Page
To Previous Page IconTo Previous Page
To Previous Page IconTo Previous Page
Loading...
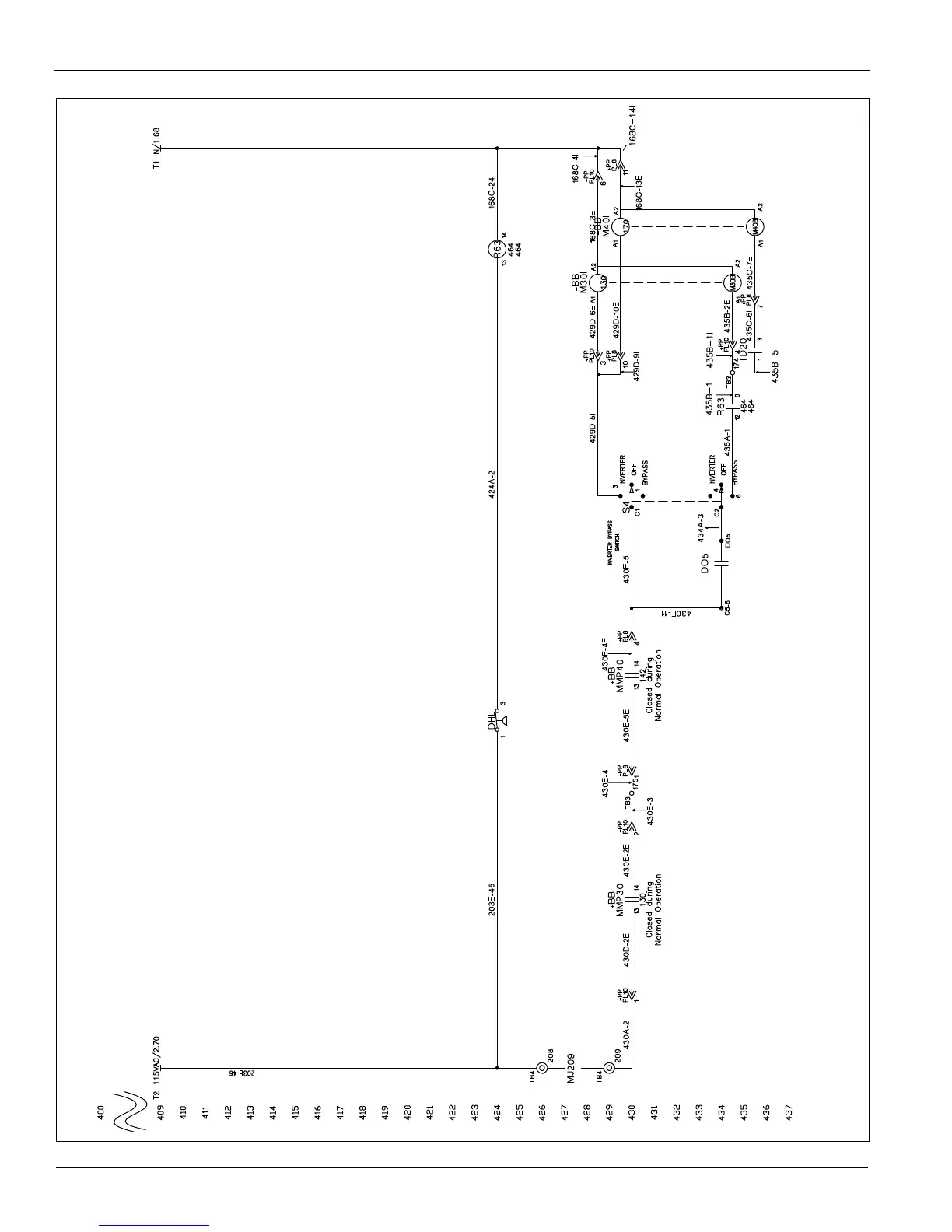
74 McQuay IM 987
Wiring Diagrams
Figure 82: VFD Control (SAF and RAF)
(Schematic continues on next page.)

Table of Contents

Related product manuals