EasyManua.ls Logo

Mec 3084RT - Page 187

Default Icon
344 pages
Print Icon
To Next Page IconTo Next Page
To Next Page IconTo Next Page
To Previous Page IconTo Previous Page
To Previous Page IconTo Previous Page
Loading...
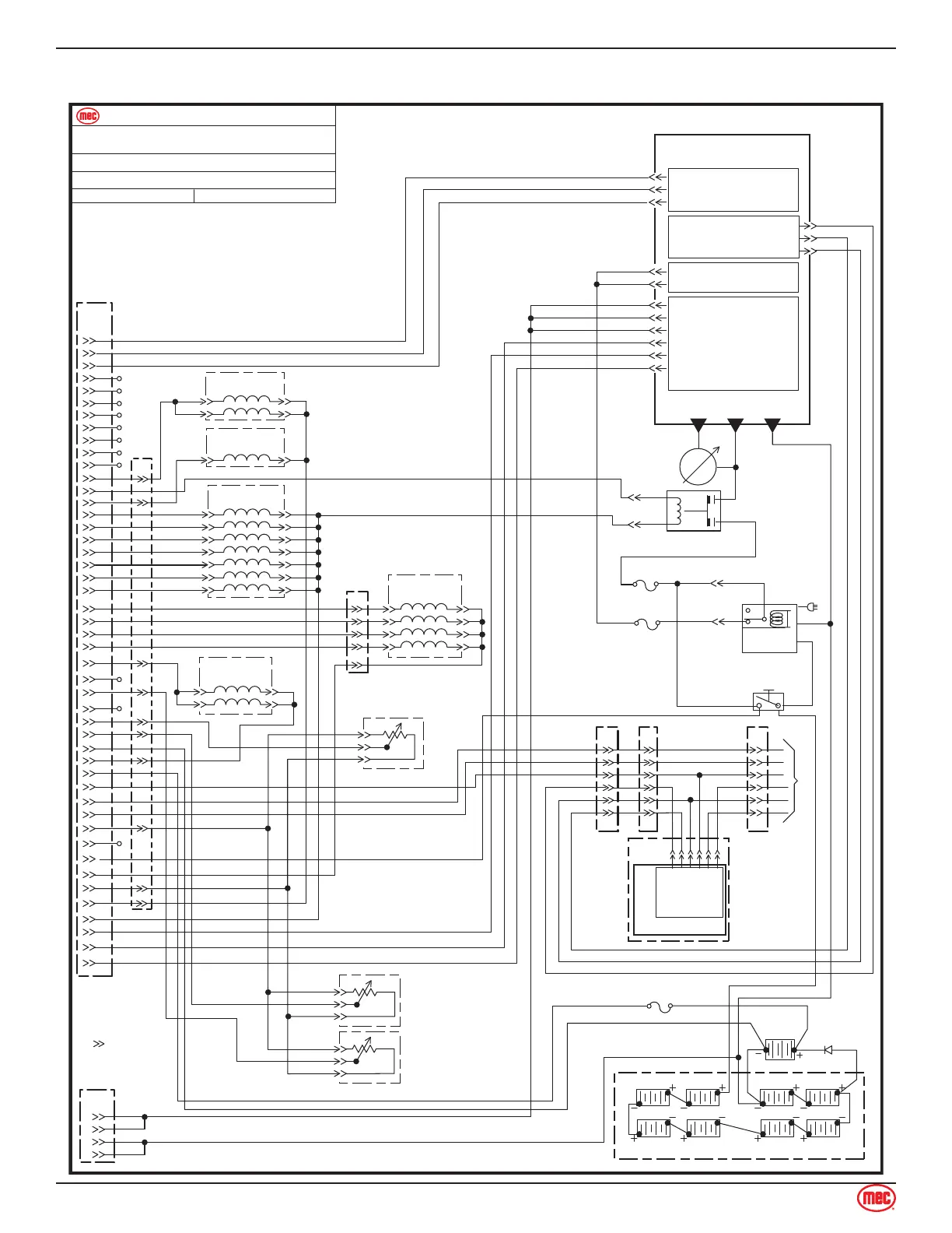
Page 180 Speed Level Series - Service & Parts Manual
January 2019Section 10 - Schematics
3084ES - Base Electric Schematic
ART_3218
none
SCHEMATIC
Model: / Serial #
Publication Art #:Reference Art #:
SCHEMATIC
Model: / Serial #
3084ES | Serial #11800025- UP
3084ES
48VOLTS BATTERY PACK
6 VOLTS
6 VOLTS
6 VOLTS
6 VOLTS
6 VOLTS
6 VOLTS
6 VOLTS
6 VOLTS
CHARGE DIODE
J10
J11 J12
J5
J4*
*J4 Plug contains
connections only
at points designated
by symbol
J2
14
7
8
9
10
12
13
25
26
27
28
34
36
38
40
15
16
17
18
19
20
21
42
44
1
2
3
4
5
6
61
60
67
66
65
64
70
69
68
59
55
57
54
58
J1
11
56
62
1
2
3
4
5
6
1 415
2 15
3 515
4 414
5 BARE
TO PLATFORM
6 413
BRN
BLU
ORG
BLK
BARE
RED
105
417
20
75
76
77
78
152
1
407
204
107
108
111
110
313
213
15
15
15
15
516
15
15
15
515
000
43
42
414
413
412
415
PRESSURE
TRANSDUCER
ANGLE
TRANSDUCER
CE CERTIFIED
ANGLE
TRANSDUCER
ELEVATION
416
405
15
408
404
LEVEL
MANIFOLD
DOWN
VALVE
MAIN
MANIFOLD
AXLE LOCK
CYLINDERS
REAR
WHEELS
1 2
1 2
1 2
1 2
1 2
1 2
1 2
1 2
1
2
1 2
1 2
1 2
1 2
1 2
1 2
1 2
1
2
3
1
2
3
1
2
3
Base - Electric
MAIN BATTERY
DISCONNECT
SWITCH
12 VOLTS
P6-1
P6-2
P6-3
P600
PUMP MOTOR CONTROLLER
48 VDC TO 12 VDC CONVERTER
CAN BUS H
CAN BUS L
GROUND
P6
P7-1
P7-2
P7-3
CAN BUS H
CAN BUS L
GROUND
P7
P1-1
P1-2
P1-3
P1-4
P1-5
P1-6
12 VOLT OUTPUT
12 VOLT OUTPUT
12 VOLT OUTPUT
BASE SELECTED
PLATFORM SELECTED
OUTPUT TO E-STOP CIRCUIT
FOR MODULE ACTIVATION
P1
P8-1
P8-2
PWM TO
MOTOR
B+
48 VOLT INPUT
48 VOLT INPUT
P8
B–
416
20
J20-2
J20-1
15
404
405
408
408
408
48V
48V
M
MOTOR
CONTACTOR
8 HP
MOTOR
48 VDC
CHARGER
BLK
RED
516A
516
20A
5A
300A
CANTILT MODULE
AXLE
CAN BUS H
CAN BUS L
GND
12V INPUT
CAN BUS H
CAN BUS L
415
15
515
414
412
413

Table of Contents

Related product manuals