EasyManua.ls Logo

Mec 3084RT - Page 186

Default Icon
344 pages
Print Icon
To Next Page IconTo Next Page
To Next Page IconTo Next Page
To Previous Page IconTo Previous Page
To Previous Page IconTo Previous Page
Loading...
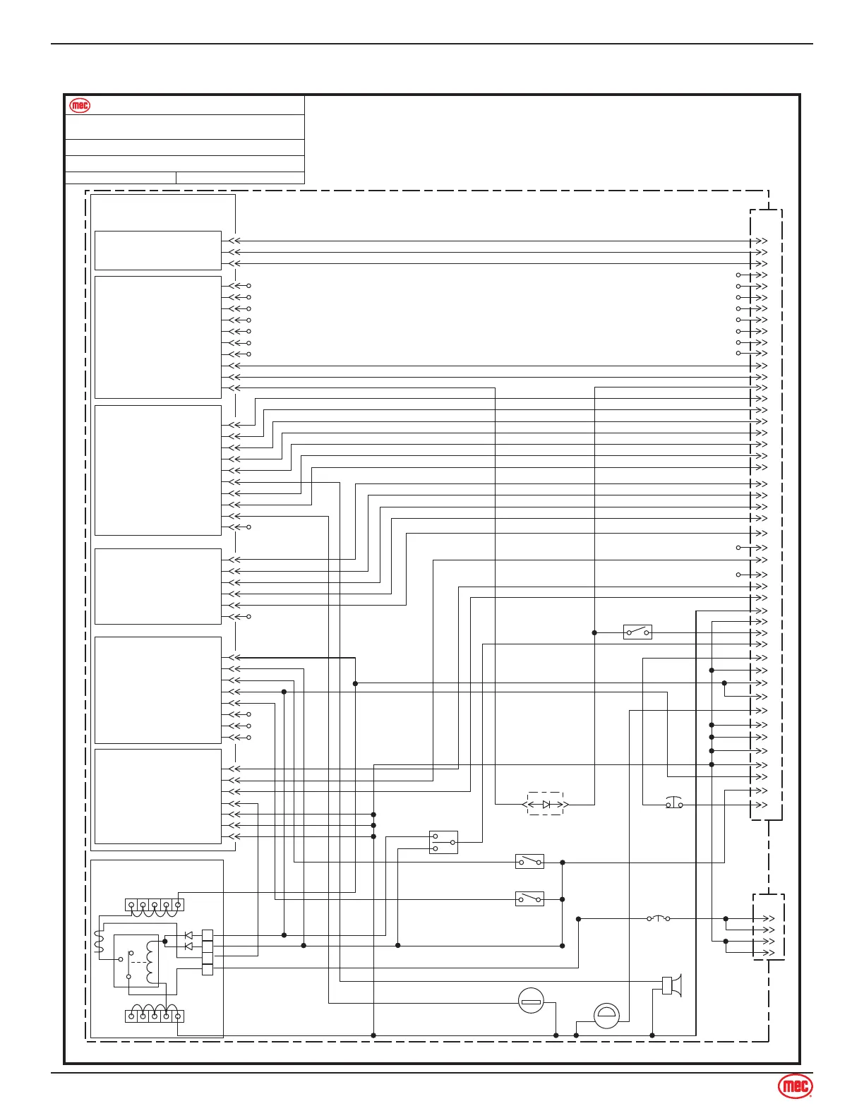
Page 179 Speed Level Series - Service & Parts Manual
January 2019Section 10 - Schematics
3084ES - Lower Control Box Electric Schematic
ART_3217
none
SCHEMATIC
Model: / Serial #
Publication Art #:Reference Art #:
SCHEMATIC
Model: / Serial #
3084ES | Serial #11800025- UP
1
2
3
4
TERMINAL BLOCK
MODULE (TBM)
B+
B−
15
15
408
P1-1
P1-2
P1-3
P4-1
P4-2
P4-4
P4-5
P4-6
P4-7
P4-8
P4-10
P4-12
P4-14
GP400
MICROPROCESSOR
ALL CIRCUITS 12 V ONLY
CAN BUS H
CAN BUS L
GROUND
P5-1
P5-2
P5-3
P5-4
P5-5
P5-6
P5-7
P5-8
P5-9
P5-14
LIFT VALVE
STEER RIGHT
STEER LEFT
DRIVE FORWARD
DRIVE REVERSE
ALARM
HIGH TORQUE
HIGH SPEED
HOUR METER
MANIFOLD & MISC
P1
P6-1
P6-2
P6-3
P6-4
P6-13
P6-15
BACK PITCHING VALVE
FRONT PITCHING VALVE
RIGHT ROLLING VALVE
LEFT ROLLING VALVE
AXLE LOCK VALVE
P7-1
P7-2
P7-3
P7-4
P7-7
P7-10
P7-12
P7-13
VALVE SUPPLY
BASE SELECTED
UP SWITCH
PLATFORM SELECTED
DOWN SWITCH
P4
P5
BASE & LOWER CONTROLS
P6
P7
ANALOG INPUTS
P8
P8-2
P8-5
P8-6
P8-9
P8-13
P8-14
P8-15
ELEVATION TRANSDUCER
CE ELEVATION
ANALOG IN
TBM ANALOG IN
GROUND
GROUND
GROUND
105
417
20
75
76
77
78
152
75
76
77
78
152
1
1
407
204
107
108
111
110
313
213
15
15
15
15
516
15
15
15
515
000
43
42
414
413
412
415
416
405
404
414
413
412
37
404
405
408
411
15
405
406
404
409
407
1
105
417
20
204
107
108
111
110
313
213
117
117
15
43
42
105 105
37
516
411
14
7
8
9
10
12
13
25
26
27
28
34
36
38
40
15
16
17
18
19
20
21
42
44
1
2
3
4
5
6
61
60
67
66
65
64
70
69
68
59
55
57
54
58
J1
J2
11
56
62
REAR WHEEL BYPASS VALVE
MOTOR CONTACTOR
DOWN VALVE 1
Lower Control Box - Electric
LOWER CONTROL BOX
HOUR METER
E-STOP
15A
BREAKER
UP
406
405
DOWN
405
409
EMERGENCY
DOWN
BASE/PLATFORM
SELECT
404
405
515
ALARM
2
DOWN DIODE
ASSEMBLY
1
CHARGE
INDICATOR
3084ES

Table of Contents

Related product manuals