EasyManua.ls Logo

Mec 3084RT - Page 189

Default Icon
344 pages
Print Icon
To Next Page IconTo Next Page
To Next Page IconTo Next Page
To Previous Page IconTo Previous Page
To Previous Page IconTo Previous Page
Loading...
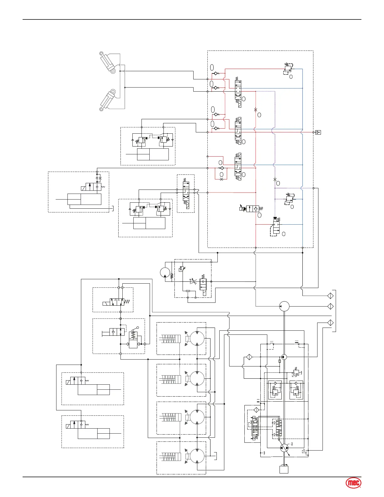
Page 182 Speed Level Series - Service & Parts Manual
January 2019Section 10 - Schematics
XX84RT Model, Hydraulic Schematic with Hydrastatic Drive
2684RT - From Serial # 12800200 3084RT - From Serial # 11800400
I/C
PU1
DRIVE PUMP
FeFa
G
3
2
15
5
1.02 MM
8
9
12
5
3.5
MM
11
2.3MM
3
2600PSI
10.4
10.3
10.2
10.1
7
GLS
P AUX
GP1
RRFL
LR
RF
A B
A
B
AB
A
B
T
LIFT CYLINDER
LEVEL CYL
FOR/AFT
LEVEL CYL
SIDE/SIDE
STEER CYLS
AXLE FLOAT
CYLS
HP1
MP1
MANUAL BRAKE
RELEASE
BRAKE VALVE
LSP
LSV
P
T
OPTIONAL 2.5K
GENERATOR

Table of Contents

Related product manuals