EasyManua.ls Logo

Mec 3084RT - Page 190

Default Icon
344 pages
Print Icon
To Next Page IconTo Next Page
To Next Page IconTo Next Page
To Previous Page IconTo Previous Page
To Previous Page IconTo Previous Page
Loading...
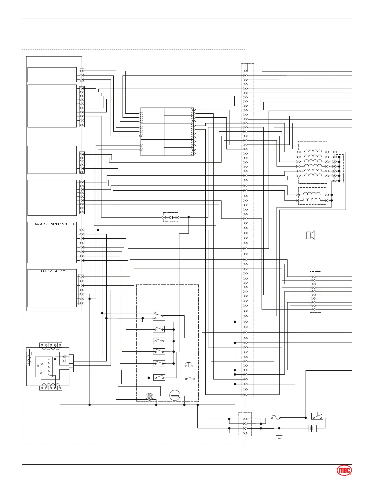
Page 183 Speed Level Series - Service & Parts Manual
January 2019Section 10 - Schematics
XX84 RT Diesel Models - Electrical Schematic, Part 1
2684 RT - From Serial # 12800200 3084 RT - From Serial # 11800400
LOWER CONTROL BOX
1
2
3
4
MODULE (TBM)
TERMINAL BLOCK
B+
B−
15
UP
406
DOWN
409
START
GLOW
SELECT
BASE/PLATFORM
404
405
515
START DISABLE
HOUR METER
E-STOP
DOWN
EMERGENCY
BREAKER
15A
00
15
ALARM
1
2
1
2
1
2
1
2
21
21
MANIFOLD
MAIN
20A
SWITCH
BATTERY
GROUND
ENGINE
16
19
333
225
204
107
108
111
110
21
413
412
124
120
125
14
8
9
10
11
12
13
22
23
24
25
26
27
37
36
28
29
15
16
17
18
19
21
41
40
39
38
35
32
33
30
31
2
3
4
5
6
7
34
16
19
333
225
204
107
108
111
110
21
413
412
124
120
125
43
407
15
42
51
50
42
43
55
54
53
52
49
46
47
44
45
48
43
407
15
42
415
57
56
415
515
15
15
1
67
66
58
59
70
69
68
65
62
63
60
61
64
15
515
15
15
1
414
1
414
P1-3
P1-2
P1-1
P4-14
P4-8
P4-7
P4-4
P4-2
P4-1
MICROPROCESSOR
GP400
GROUND
CAN BUS LO
CAN BUS HI
P5-14
P5-9
P5-6
P5-3
P5-2
P5-1
START INHIBIT WARNING
HOUR METER
ALARM
STEER LEFT
STEER RIGHT
LIFT VALVE
P1
P6-4
P6-3
P6-2
P6-1
P7-13
P7-12
P7-10
P7-7
P7-4
P7-3
P7-2
P7-1
OIL PRESSURE SWITCH
START SWITCH
CHOKE/PREHEAT SWITCH
DOWN SWITCH
PLATFORM SELECTED
UP SWITCH
BASE SELECTED
VALVE SUPPLY
GROUND
GROUND
TBM ANALOG IN
PRESSURE SENSOR (CE)
ELEV SENSOR 2 (CE)
ELEV SENSOR 1
P4
P5
P6
P7
P8
P8-14
P8-13
P8-9
P8-6
P8-5
P8-2
DOWN VALVE 1
IGNITION
ALTERNATOR EXCITER
THROTTLE
STARTER
CHOKE / PREHEAT
P6-15A/C GENERATOR
P6-13
AXLE LOCK COIL
1
2
3
4
1
2
3
4
LOWER CONTROL
BOX DOOR
GROUND
BUSS
BATTERY
12 VOLTS
404
405
00
00
15
105
PROPORTIONAL
LIFT
STEER RT
STEER LT
LEVEL FWD
414
413
412
124
120
125
16
19
333
5
204
107
108
111
110
411
36
75
76
77
78
225
201
405
406
404
409
21
43
407
42
15
15
36
411
37
37
117
117
24
282
24
282
DEUTSCH
70 PIN
DEUTSCH
4 PIN
J1
J2
LEVEL RIGHT
LEVEL LEFT
105
LEVEL LEFT VALVE
LEVEL RIGHT VALVE
LEVEL FORWARD VALVE
LEVEL BACK VALVE
152 152
20
105
2
1
5
105
LOWERING DIODE
LEVEL BACK
75
76
77
78
75
76
77
78
152
LEVEL MANIFOLD 2
VALVE CONSANT CURRENT MODULE (VCCM)
VP1
CAN HI
CAN LO
SHIELD
CAN HI
CAN LO
SHIELD
1
B+
B-
VP2
PROPORTIONAL
VP4
2
DRIVE FWD
DRIVE REV
VP5
VP3
VP6
7
8
1
2
3
4
5
6
J10
DEUTSCH
12 PIN
43
42
407
15
152
9
10
37
15
138
139
138
139
1515
138
139
140
140
140
1515
B+
15
515
415
413
412
124
120
125
414
43
42
407
15
152
105
105
1
1
152
16
19
111
110
139
21
225
138
15
15
15
15

Table of Contents

Related product manuals