EasyManua.ls Logo

Megger MIT510 - Measurement Board Circuit Description

Megger MIT510
84 pages
Print Icon
To Next Page IconTo Next Page
To Next Page IconTo Next Page
To Previous Page IconTo Previous Page
To Previous Page IconTo Previous Page
Loading...
AF008-02-1201
17
Number
Issue
Date
CN Number
6
1
7
2-
999
2
17-01-07
22933
Compiled
By:
S.Mynott
Date
Compiled:
08/08/06
MIT5XX/10XX
1
st
Used On:
SERVICE MANUAL
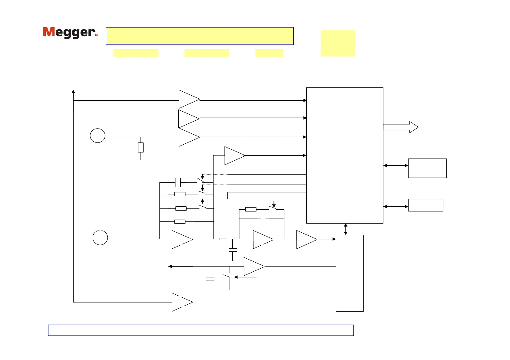
Meas Board
Fuse
I meas
A5
A3
A6
A1
A8
A4
A2
A7
Low
Medium
High
Filter
Guard OK
Break Down Detect
Ac Detect
IRDA Coms
Power on,
Watchdog and
Flash circuit
To ‘Hv’ board
Discharge on/off
‘Hv’ on/off
Set ‘Hv’
Set current limit
G
__
0v
0v
Cap meas
Terminal volts meas
Micro
Attenuated ‘Hv’
From ‘Hv’ board
Attenuated ‘Hv’ from
Discharge path
ADC
0v
Discharge
Current Overrange
A9

Other manuals for Megger MIT510

Related product manuals