EasyManua.ls Logo

Mendota FV42 - MECHANICAL TECHNICAL REFERENCES

Mendota FV42
96 pages
Print Icon
To Next Page IconTo Next Page
To Next Page IconTo Next Page
To Previous Page IconTo Previous Page
To Previous Page IconTo Previous Page
Loading...
85-03-01109 FV42 Page 12
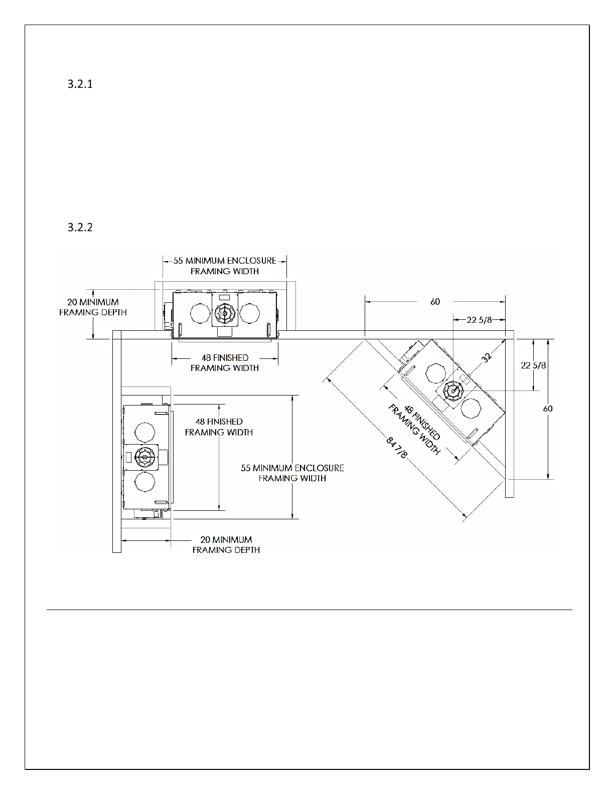
3.2 MECHANICAL TECHNICAL REFERENCES
Planning the installation
This Mendota Fireplace must be installed and serviced by a qualified installer, service agency, or the gas supplier.
When planning on appliance installation, it is necessary to determine the following information before installing:
Where the appliance is to be installed.
The vent system configuration to be used.
Gas supply piping.
Electrical Wiring.
Framing and finishing details.
Hearth Protection Pad Requirements.
Whether accessories such as a ceiling fan are desired.
Selecting Appliance Location
When selecting a location for your appliance, it is important to consider the required clearances to walls.
Figure 3-1 FIREPLACE LOCATION
WARNING
FIRE RISK- ODOR RISK
Install appliance on hard metal or wood surfaces extending full width and depth of this fireplace.
An R-1 Rated Hearth Protection Pad [1-1/2” Thick Maximum] is required unless this fireplace is elevated. For
every 1” this fireplace is elevated, you may reduce the hearth pad depth by 2”. If this fireplace is elevated 6”
or higher no hearth protection pad is required.
Do NOT install this fireplace directly on carpeting, vinyl or any combustible material other than wood.
Construct chase to all clearance specifications in manual.
Locate and install appliance to all clearance specifications in manual.

Related product manuals