EasyManua.ls Logo

Mercury SKI - Quicksilver Instrumentation Wiring Diagrams

Mercury SKI
48 pages
Print Icon
To Next Page IconTo Next Page
To Next Page IconTo Next Page
To Previous Page IconTo Previous Page
To Previous Page IconTo Previous Page
Loading...
73371
BLK = BLACK
BLU = BLUE
BRN = BROWN
GRY = GRAY
GRN = GREEN
ORN = ORANGE
PNK = PINK
PUR = PURPLE
RED = RED
TAN = TAN
WHT = WHITE
YEL = YELLOW
LIT = LIGHT
DRK = DARK
j
a
b
c
d
e
f
h
i
g
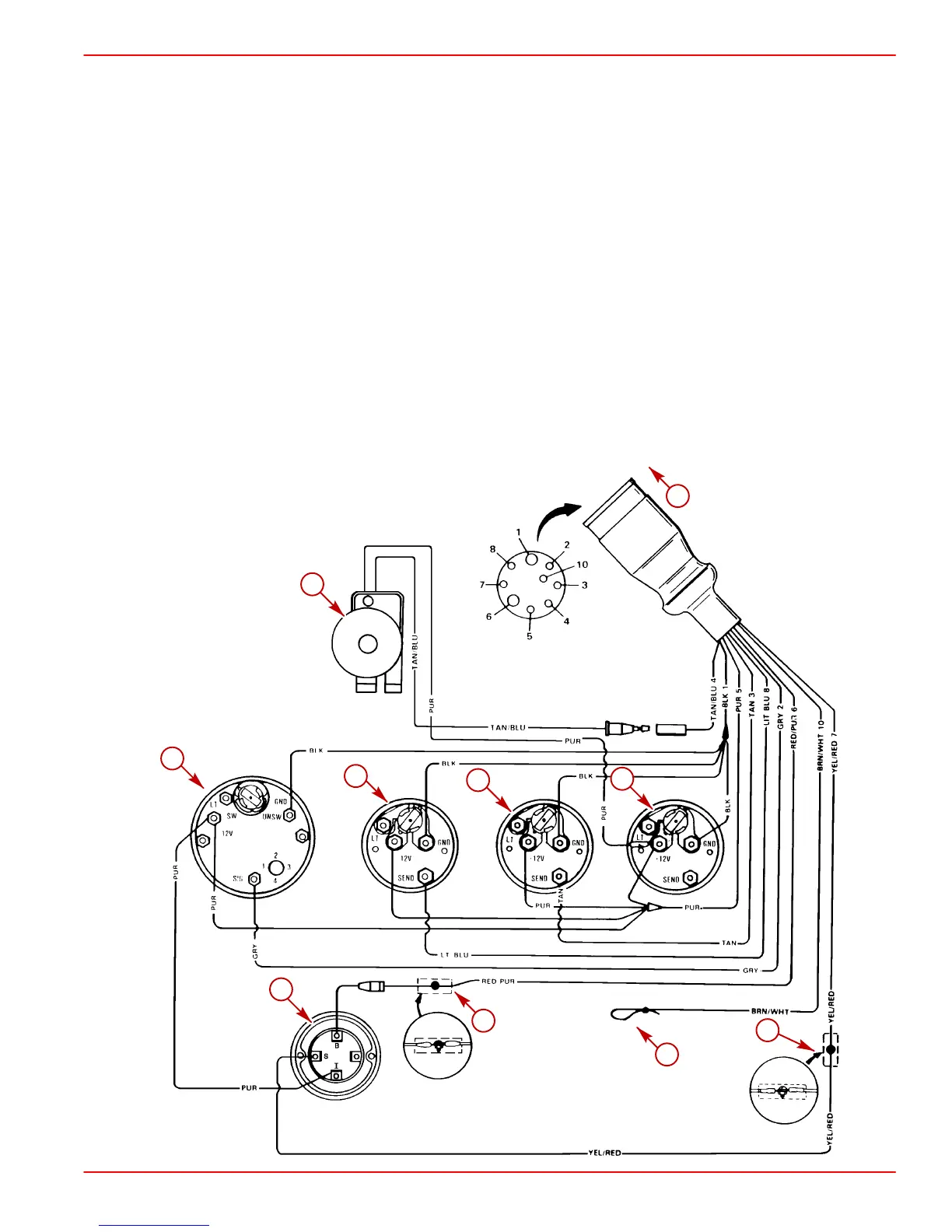
GASOLINE ENGINES SKI MODELS
Page 41 of 48
Quicksilver Instrumentation Wiring Diagrams
MIE Gasoline Engine - Typical Single Station Installation
Refer to gauge manufacturers instructions for specific connections.
NOTE 1. Connect Wires Together with Screw and Hex Nut; Apply Liquid Neoprene to Connection and Slide Rubber
Sleeve over Connection.
NOTE 2. Power for a Fused Accessory Panel May Be Taken from This Connection. Load Must Not Exceed 40 Amps.
Panel Ground Wire Must Be Connected to Instrument Terminal That Has an 8-Gauge BLACK (Ground) Harness
Wire Connected to it.
NOTE 3. Taped back BROWN-WHITE wire may be used for an accessory. LOAD MUST NOT EXCEED 5 AMPS.
a-Audio Warning horn
b-Tachometer
c-Oil Pressure
d-Water Temperature
e-Battery Meter
f-Ignition Switch
g-Read/Observe NOTE 1
h-Read/Observe NOTE 1 and 2
i-Read/Observe NOTE 3
j-To Engine Wiring Harness

Other manuals for Mercury SKI

Related product manuals