EasyManua.ls Logo

Meritor 17X - CT52 - Diff. Crown Wheel Lifting Tool

Default Icon
76 pages
Print Icon
To Next Page IconTo Next Page
To Next Page IconTo Next Page
To Previous Page IconTo Previous Page
To Previous Page IconTo Previous Page
Loading...
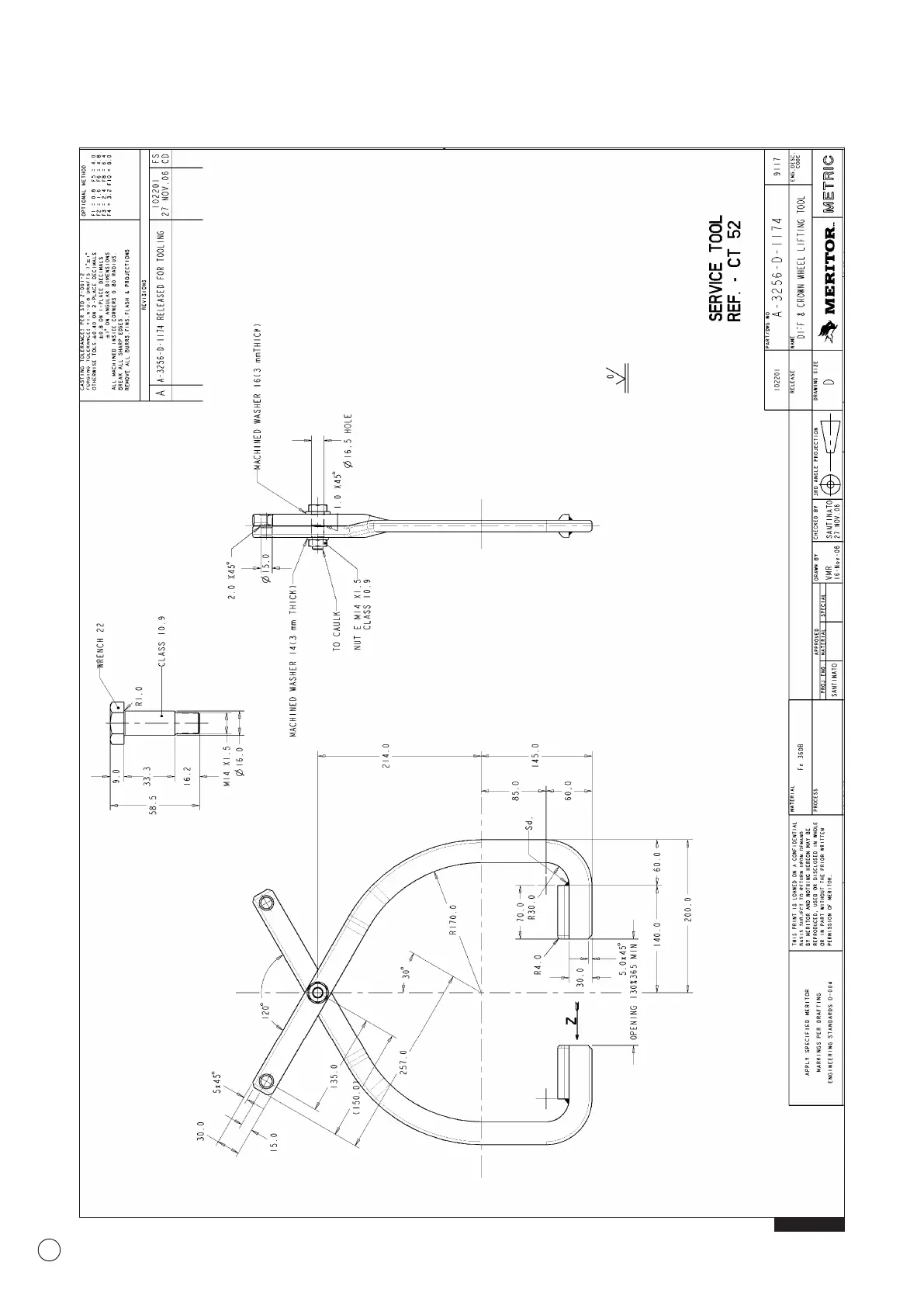
72 Meritor Differential Carrier 17X
Fig. 8.17
8 Service Tools
C
T52 - Diff. Crown Wheel lifting Tool

Related product manuals