EasyManua.ls Logo

MGL Avionics V10 - Principal Wiring Diagrams

MGL Avionics V10
42 pages
Print Icon
To Next Page IconTo Next Page
To Next Page IconTo Next Page
To Previous Page IconTo Previous Page
To Previous Page IconTo Previous Page
Loading...
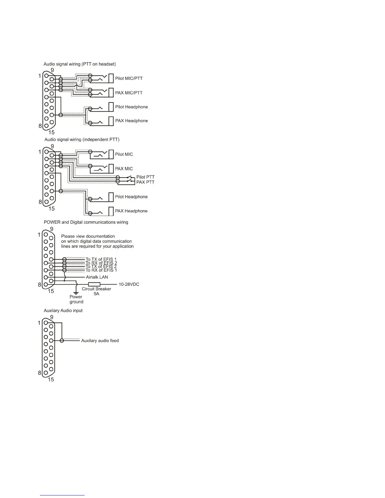
Principal wiring diagrams
Use this diagram to wire headsets that provide built in
PTT buttons.
Please note use of shielded audio cable
Use this diagram if you plan on using independent PTT
switches. Here both pilot and passenger PTT are shown.
The passenger PTT is optional.
Please note use of shielded audio cable. It is
recommended to use shielded cable on PTT as well, in
particular if long cables are needed.
This diagram shows power and communications links.
Communications links are optional.
It is recommended to use shielded cables for RS232 links.
A 2.5A – 5A circuit breaker or fuse must be installed. This is
mandatory.
This diagram shows connection of the auxiliary audio input.

Table of Contents

Related product manuals