EasyManua.ls Logo

Midea CE-LRSJF-V80/N1-310 - Functional Diagram

Midea CE-LRSJF-V80/N1-310
58 pages
Print Icon
To Next Page IconTo Next Page
To Next Page IconTo Next Page
To Previous Page IconTo Previous Page
To Previous Page IconTo Previous Page
Loading...
MCAC-RTSM-2009-09 Midea Heat Pump Water Heater Technical Manual
33
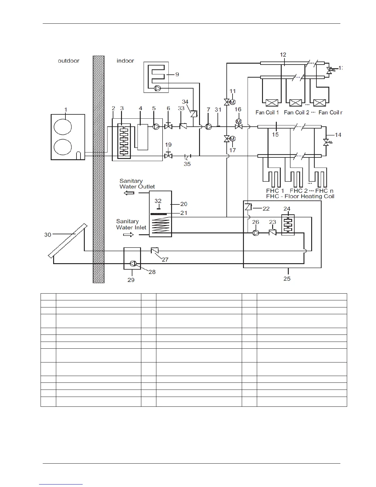
12. Functional diagram
12.1 Complete system diagram
NO
Name
NO
Name
NO
Name
1
Outdoor unit
13
By-pass valve (field supply)
25
Solar kit (optional)
2
Indoor unit (Hydro kit)
14
By-pass valve (field supply)
26
Pump for solar kit, Pump 3
3
Refrigerant to water heat
exchanger
15
Collector (field supply)
27
Non-return valve
4
Auxiliary heater vessel
16
Motorized 2-way valve SV3
28
Pump for solar pump station
5
Pump 1
17
Motorized 2-way valve SV1
29
Solar pump station (field supply)
6
Shut-off valve (field supply)
18
Water to water heat exchanger
30
Solar panels (field supply)
7
Auxiliary pump(optional, field
supply)
19
Shut-off valve (field supply)
31
Temperature sensor for
heating/cooling water
8
Water to water heat exchanger
kit
20
Sanitary hot water tank
32
Temperature sensor for sanitary
water T5
9
Boiler (optional, field supply)
21
Electric heater
33
Non-return valve (field supply)
10
Pump 4 (optional, field supply)
22
Non-return valve
34
Non-return valve (field supply)
11
Motorized 2-way valve SV2
23
Non-return valve
35
Y-sharp filter
12
Collector (field supply)
24
Water to water heat exchanger

Table of Contents

Related product manuals