EasyManua.ls Logo

Mira Azora - Wiring Diagram; Mira Azora Internal Wiring

Mira Azora
32 pages
Print Icon
To Next Page IconTo Next Page
To Next Page IconTo Next Page
To Previous Page IconTo Previous Page
To Previous Page IconTo Previous Page
Loading...
27
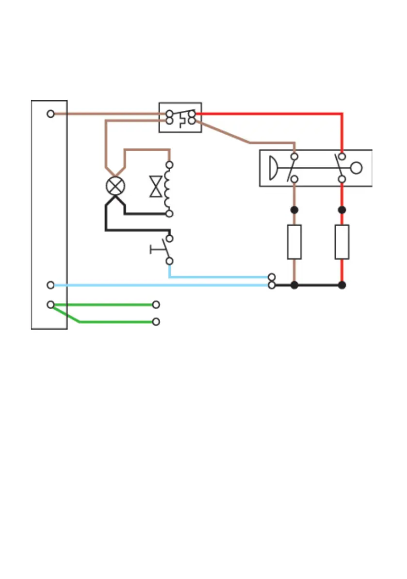
Wiring Diagram
Thermal Cutout
Dual Disc
Tank Connection
Load
Inlet Connector
Pressure/Power
Selector Switch
Solenoid
Valve
Start/Stop
L.E.D.
START/STOP
L
E
N
Internal Wiring Diagram

Other manuals for Mira Azora

Related product manuals