EasyManua.ls Logo

Mistral 6TTR - Schema Elettrico

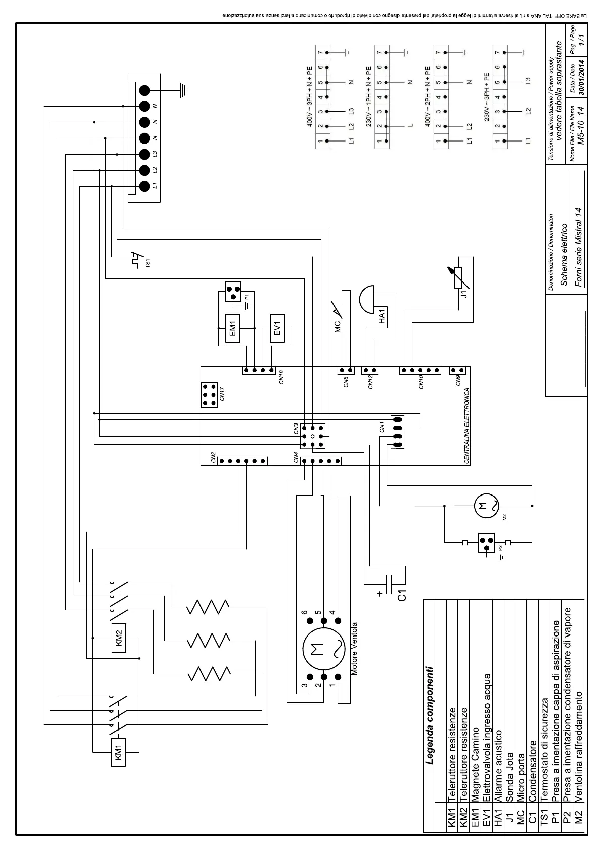
Mistral 6TTR
Print Icon
To Next Page IconTo Next Page
To Next Page IconTo Next Page
To Previous Page IconTo Previous Page
To Previous Page IconTo Previous Page
Loading...

Table of Contents