EasyManua.ls Logo

Mitsubishi Electric Melsec-Q172DCPU - Page 140

Mitsubishi Electric Melsec-Q172DCPU
264 pages
To Next Page IconTo Next Page
To Next Page IconTo Next Page
To Previous Page IconTo Previous Page
To Previous Page IconTo Previous Page
Loading...
3 - 5
3 DESIGN
RA4
C
L1
L2
L3
U
W
V
L11
L21
CN1A
CN1B
DICOM
ALM
EM2/1
DOCOM
MR-J4-B
M
B
(Note-4)
RA4
U
V
W
(Note-3)
Ground
Electro-
magnetic
brake
U
RA3
B
L1
L2
L3
U
W
V
L11
L21
CN1A
CN1B
DICOM
ALM
EM2/1
DOCOM
MR-J4-B
M
B
(Note-4)
RA3
U
V
W
(Note-3)
Ground
Electro-
magnetic
brake
U
SSCNET /H
MC1MCCB2
(Note-5)
+24V
24G
RA2
A
L1
L2
L3
U
W
V
L11
L21
CN1A
CN1B
DICOM
ALM
EM2/1
DOCOM
MR-J4-B
M
B
(Note-4)
RA2
U
V
W
(Note-3)
Ground
Electro-
magnetic
brake
U
MC2MCCB3
(Note-5)
MC3MCCB4
(Note-5)
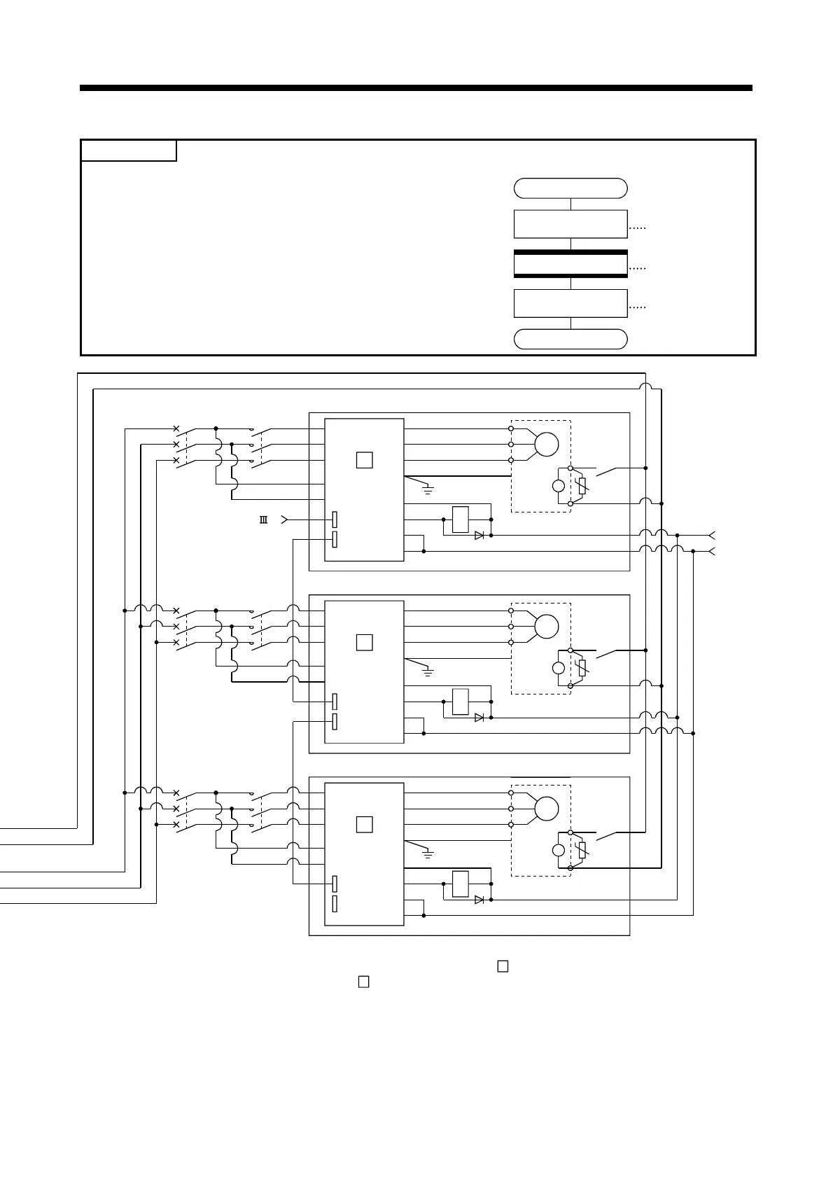
POINT
(1) (Note-1): Make the forced stop input cable within 30m(98.43ft.). The forced stop
by the forced stop terminal of input module is also possible.
(2) (Note-2): Motion SFC program example is shown in the right record.
(3) (Note-3): It is also possible to use a full wave rectified power supply as the
power supply for the electromagnetic brake.
(4) (Note-4): It is also possible to use forced stop signal of the servo amplifier.
(5) (Note-5): Refer to the servo amplifier instruction manuals for selection of the
circuit breaker and electromagnetic contactor.
(6) (Note-6): The surge suppressor is recommended to be used for an AC relay or
electromagnetic contactor (MC) near the servo amplifier.
Refer to the servo amplifier instruction manual for selection of the
surge suppressor.
<Example> For control axis 1, axis 2 and axis 3
[F 1]
SET PYm
[G 1]
M2408+M2428+M2448
[F 2]
RST PYm
PYm ON with initial
(ON : normal)
Servo error detection
of the axis 1, axis 2,
axis 3
OFF : abnormal (error)
Servo error detection
END
(Note-1): When the control power supply of servo amplifier is shut off, it is not possible to communicate with the servo amplifier after that.
Example) When the control power supply L11/L21 of servo amplifier in figure
B
above is shut off, it is also not possible to
communicate with the servo amplifier
C
.
If only a specific servo amplifier main circuit power supply is shut off, be sure to shut off the main circuit power supply L1/L2/L3,
and do not shut off the control power supply L11/L21.
(Note-2): Be sure to shut off the both of main circuit power supply L1/L2/L3 and control power supply L11/L21 after disconnection of
SSCNET communication by the connect/disconnect function of SSCNET communication at the time of exchange of servo
amplifier. At this time, it is not possible to communicate between the servo amplifier and Motion controller. Therefore, be sure to
exchange the servo amplifier after stopping the operating of machine beforehand.

Table of Contents

Related product manuals