EasyManua.ls Logo

Mitsubishi Electric Melsec-Q172DCPU - External Circuit Design

Mitsubishi Electric Melsec-Q172DCPU
264 pages
To Next Page IconTo Next Page
To Next Page IconTo Next Page
To Previous Page IconTo Previous Page
To Previous Page IconTo Previous Page
Loading...
3 - 4
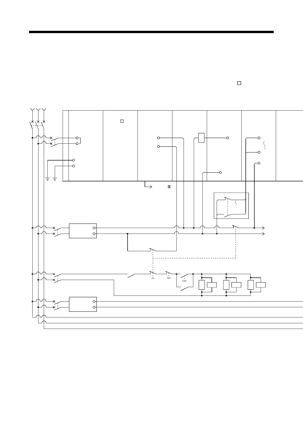
3 DESIGN
3.2 External Circuit Design
As to the ways to design the external circuits of the Motion system, this section
describes the method and instructions for designing the power supply circuits and
safety circuits, etc. (Example: Q173DSCPU/Q172DSCPU and MR-J4-
B use)
(1) Sample system circuit design for motion control
Servo normal output
(Servo normal:ON
Alarm:OFF)
SK
+24V
24G
FLS1
Number of inputs:
8 axes/module
DOG8/
CHANGE8
SSCNET /H
EMG
MC3
SK
Servo external
signals interface
module
Q172DLX
Power Supply
Q61P
Motion CPU
Q173DSCPU/
Q172DSCPU
Input module
QX40
Output module
QY10
PLC CPU
QnUD CPU
3-phase
200 to 230VAC
CP1
MCCB1
RST
FG
LG
INPUT
100-240VAC
Power supply for I/O
+24V
24G
24VDC
Power
supply
CP2
CP3
CP4
+24V
24G
24VDC
Power
supply
Power supply for
electromagnetic brake
Emergency Stop
EMG
MC1 to 3
RA1
Ready
ON
Operation
OFF
(Note-6)
Surge suppresser
EMG
MC2
(Note-6)
MC1
SK
(Note-6)
COM
FLS1
DOG8/
CHANGE8
COM
(Note-2)
PYm
EMI
EMI.COM
Forced stop
(Note-1)
RA1

Table of Contents

Related product manuals