EasyManua.ls Logo

Mitsubishi LANCER EVOLUTION 2003 - Page 33

Mitsubishi LANCER EVOLUTION 2003
201 pages
Print Icon
To Next Page IconTo Next Page
To Next Page IconTo Next Page
To Previous Page IconTo Previous Page
To Previous Page IconTo Previous Page
Loading...
FUEL PUMP CONTROL
MULTIPORT FUEL SYSTEM (MFI)
13A-8
FUEL PUMP CONTROL
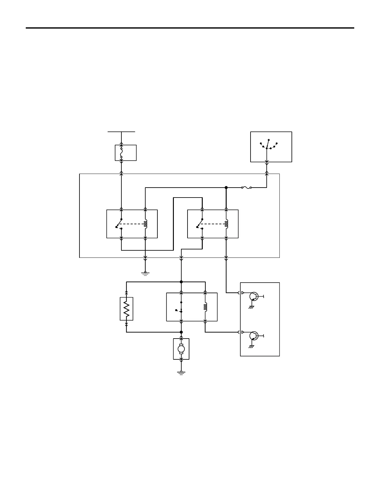
M2132017500019
A relay circuit has been added in order to supply
the power for actuating the fuel pump directly
from the battery. This system is the same as the
one used on the 2.0L engine (4G94) of the
Lancer.
A control function has been added to change the
fuel discharge volume of the fuel pump in two
stages in accordance with the engine load. When
the load on the engine is low if the fuel consump-
tion volume is also low, this control actuates the
fuel pump at a lower speed. As a result, the fuel
return volume decreases, reducing the discharge
of fuel vapors.
.
DESCRIPTION OF FUEL DISCHARGE VOLUME CONTROL
When the load on the engine is low, the engine con-
trol module (ECM) turns the power transistor ON,
which causes the current to flow through the coil of
the fuel pump relay 3. Accordingly, the contacts of
the relay open, causing the current to the fuel pump
to flow via the fuel pump resistor. Because the resis-
tor drops the voltage of the current, the supply volt-
age to the fuel pump decreases. As a result, the
pump speed decreases, thus reducing the fuel dis-
charge volume of the fuel pump.
When the load on the engine is higher than the pre-
scribed value, the ECM turns OFF the power transis-
tor, which causes the contacts in fuel pump relay 3 to
close. This eliminates the voltage drop by the resis-
tor. As a result, the pump speed increases, thus
increasing the fuel discharge volume of the fuel
pump.
AK202522
M
ON/OFF
HI/LO
AB
BATTERY
15A
FUEL
PUMP
RELAY 1
FUEL
PUMP
RELAY 3
FUEL PUMP
RESISTOR
FUEL
PUMP
RELAY 2
JUNCTION
BLOCK
OFF ON
OFF ON
OFF ON
7.5A
IGNITION SWITCH
R
ST
IG1
LOCK
ACC
IG2
FUEL
PUMP
ENGINE CONTROL
MODULE (ECM)

Table of Contents

Other manuals for Mitsubishi LANCER EVOLUTION 2003

Related product manuals