EasyManua.ls Logo

Mitsubishi MR-J4-40A - Page 376

Mitsubishi MR-J4-40A
640 pages
Print Icon
To Next Page IconTo Next Page
To Next Page IconTo Next Page
To Previous Page IconTo Previous Page
To Previous Page IconTo Previous Page
Loading...
11. OPTIONS AND AUXILIARY EQUIPMENT
11 - 45
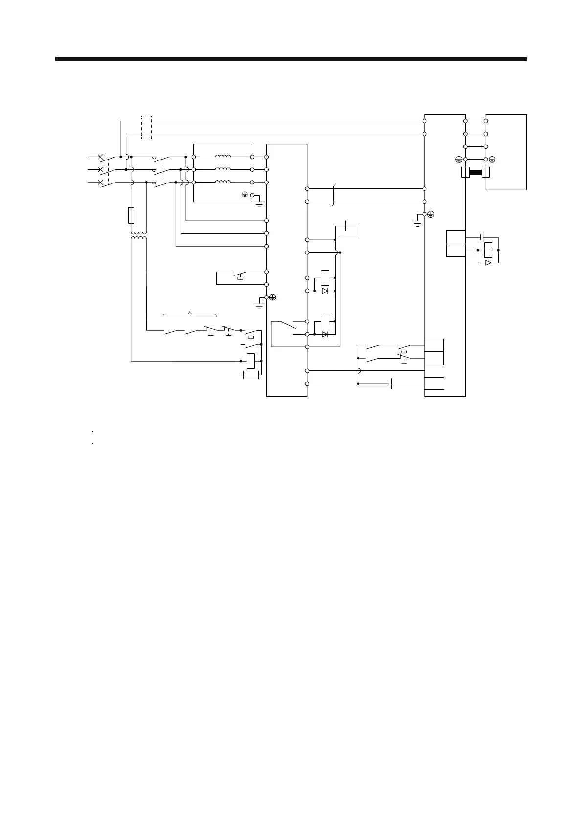
(b) 400 V class
(Note 2)
RES
RA1 (Note 4)
EM1
SON
DOCOM
ALM
DICOM
(Note 1)
(Note 2)
RA3
EM1 (Note 1, 6)
SON
RA3
RA2
24 V DC (Note 8)
MCMCCB
R/L11
3-phase
380 V AC
to
480 V AC
S/L21
T/L31
S2/L22
R2/L12
T2/L32
FR-CVL-H
MC
RA2 EM1
OFF
ON
RESET
(Note 1)
MC
SK
R2/L1
S2/L2
N/L-
P24
SD
RDYB
RDYA
RSO
SE
SD
P/L+
T2/L3
R/L11
S/L21
T/MC1
RES
(Note 1)
(Note 3)
L11
L21
P4
N-
U
V
W
U
V
W
CN2
FR-CV-H
Servo moto
r
Servo amplifie
r
(Note 5)
(Note 7)
24 V DC
24 V DC (Note 8)
B
C
A
RA1
RA1
Step-down
transformer
Note 1. Configure a sequence that will shut off main circuit power in the following.
An alarm occurred at FR-CV-H or servo amplifier.
EM1 (Forced stop 1) is enabled.
2. For the servo amplifier, configure a sequence that will switch the servo-on after the FR-CV-H is ready.
3. For the FR-CV-H, the RSO signal turns off when it is put in a ready-to-operate status where the reset signal is input. Configure
a sequence that will make the servo inoperative when the RSO signal is on.
4. Configure a sequence that will make a stop with the forced stop input of the servo amplifier if an alarm occurs in the FR-CV-H.
5. When using FR-CV-H, always disconnect wiring between P3 and P4 terminals.
6. Set [Pr. PA04] to "0 0 _ _" to enable EM1 (Forced stop 1).
7. When wires used for L11 and L21 are thinner than wires used for L1, L2, and L3, use a molded-case circuit breaker.
8. The illustration of the 24 V DC power supply is divided between input signal and output signal for convenience. However, they
can be configured by one.

Table of Contents

Related product manuals