EasyManua.ls Logo

Mitsubishi MR-J4-40A - Page 607

Mitsubishi MR-J4-40A
640 pages
Print Icon
To Next Page IconTo Next Page
To Next Page IconTo Next Page
To Previous Page IconTo Previous Page
To Previous Page IconTo Previous Page
Loading...
APPENDIX
App. - 24
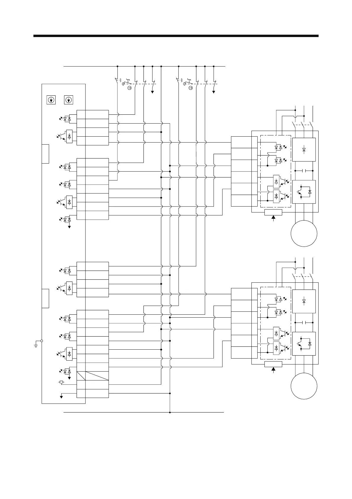
(2) Connection example
STO1
4
5
3
6
7
8
CN1
EM2 (B-axis)
CN8
SDO1A+4A
4B SDO1A-
SDI1A+1A
1B SDI1A-
SDI2A+
SRESA+
SDO2A+
TOFA
3A
3B
1A
1B
6A
6B
8A
SDI2A-
SDO2A-
SRESA-
CN9
CN10
STO1
TOFB2
TOFCOM
STO2
STOCOM
TOFB1
MR-J4_A_(-RJ)
SW1
FG
4
5
3
6
7
8
CN1
EM2 (A-axis)
CN8
TOFB2
TOFCOM
STO2
STOCOM
TOFB1
MR-J4_A_(-RJ)
SDO1B+3A
3B SDO1B-
SDI1B+2A
2B SDI1B-
SDI2B+
SRESB+
SDO2B+
TOFB
4A
4B
2A
2B
5A
5B
8B
+24 V7A
0 V7B
SDI2B-
SDO2B-
SRESB-
CN9
CN10
SW2
MR-J3-D05
(Note) (Note)
S1
24 V DC
0 V
RESA
STOA
S3
RESB
STOB
MC
M
Servo motor
MC
M
Servo motor
Control circuit
Control circuit
S4
S2
CN8A
CN8B
EM2
(A-axis)
EM2
(B-axis)
Note. Set the delay time of STO output with SW1 and SW2. These switches are located where dented from the front panel.

Table of Contents

Related product manuals