EasyManua.ls Logo

MK MK-2000 - Page 34

MK MK-2000
48 pages
Print Icon
To Next Page IconTo Next Page
To Next Page IconTo Next Page
To Previous Page IconTo Previous Page
To Previous Page IconTo Previous Page
Loading...
34
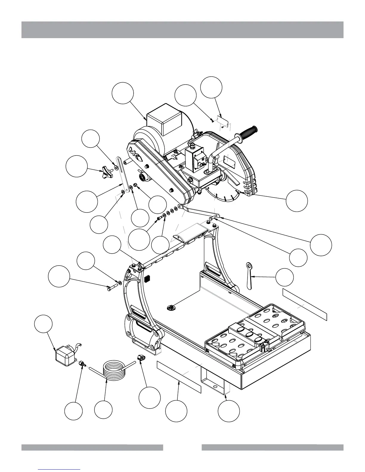
MK-2000 ELECTRIC SAW EXPLODED VIEW
18
1
2
3
4
5
6
7
8
9
10
11
12
13
14
15
16
19
20
22
6
6
6
21
MK-2001SV Saw Assembly Part # 161195

Related product manuals