EasyManua.ls Logo

Moffat E31 - 7 Electrical Schematics

Moffat E31
44 pages
Print Icon
To Next Page IconTo Next Page
To Next Page IconTo Next Page
To Previous Page IconTo Previous Page
To Previous Page IconTo Previous Page
Loading...
-32-
Revision 2/F3506
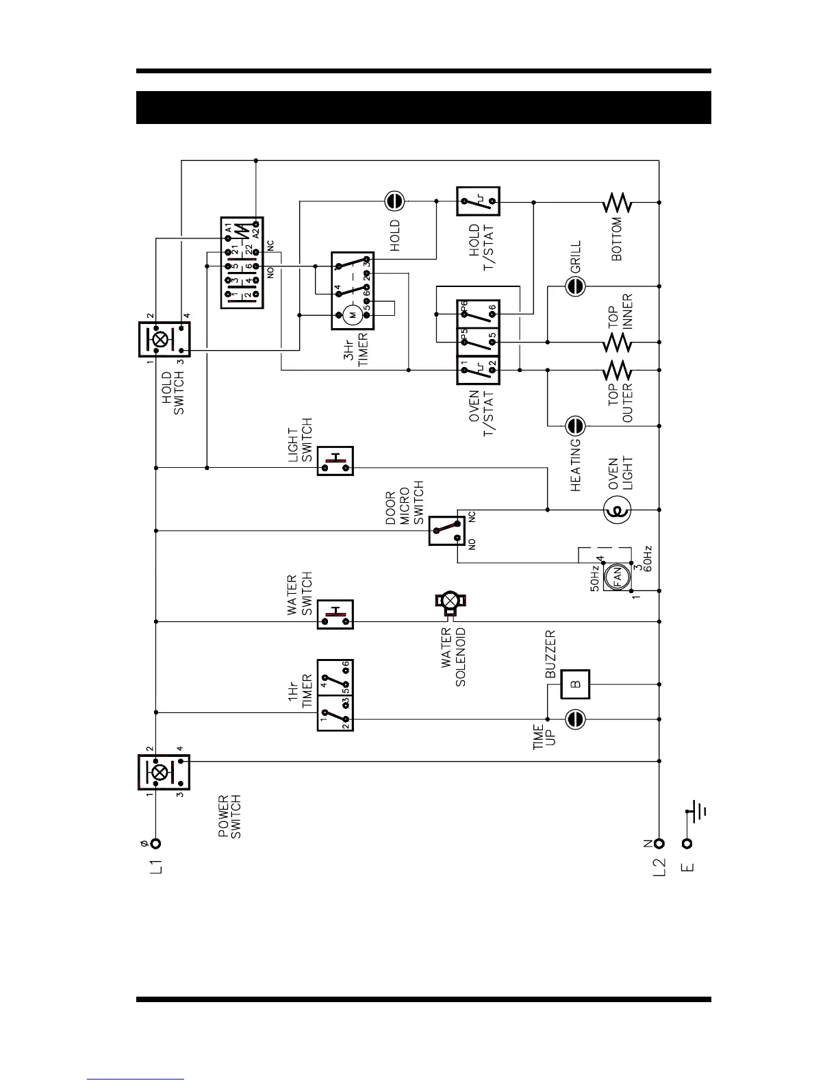
7. ELECTRICAL CIRCUIT SCHEMATIC

Table of Contents

Related product manuals