EasyManua.ls Logo

Mooney M20F - CHAPTER 1: SYSTEMS; General Description

Default Icon
42 pages
Print Icon
To Next Page IconTo Next Page
To Next Page IconTo Next Page
To Previous Page IconTo Previous Page
To Previous Page IconTo Previous Page
Loading...
Monticello Flying Club Pilot Transition Manual: Mooney M20F
Page 5 of 42
CHAPTER 1: SYSTEMS
GENERAL DESCRIPTION
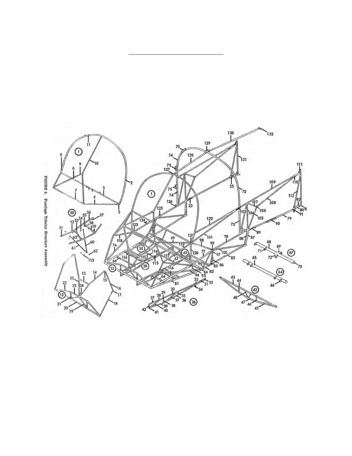
M20 series aircraft are four-place high-performance single-engine low- wing
monoplanes. The all-metal airframe has a tubular-steel cabin frame covered with nonstructural
aluminum skins, a semi-monocoque aft fuselage, and a full-cantilever laminar-flow wing.
M20 Series Tubular Cabin Frame

Table of Contents

Related product manuals