EasyManua.ls Logo

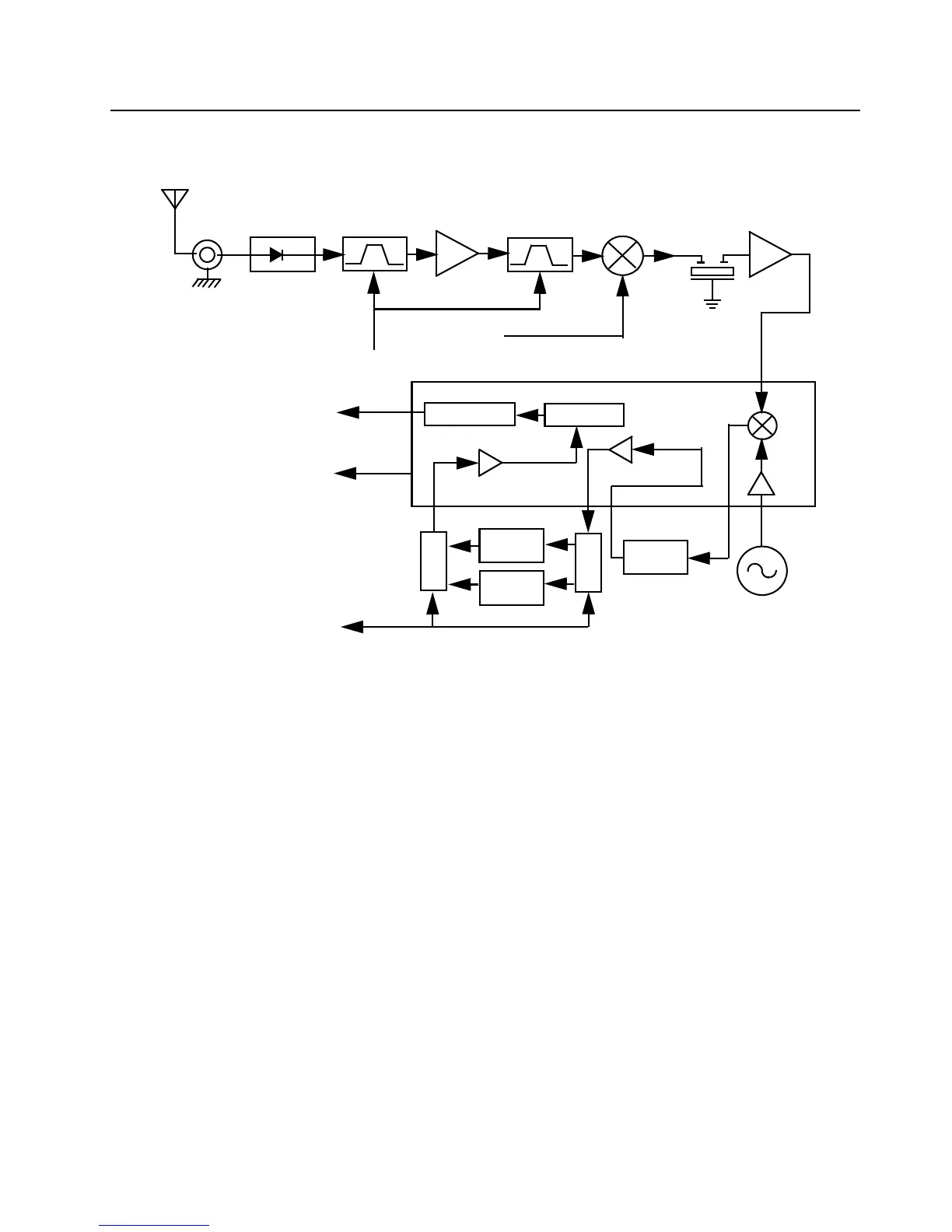
Motorola HT Series - Receiver; Figure 4-2. UHF Receiver Block Diagram

Motorola HT Series
639 pages
Print Icon
To Next Page IconTo Next Page
To Next Page IconTo Next Page
To Previous Page IconTo Previous Page
To Previous Page IconTo Previous Page
Loading...
UHF Band 1 Theory of Operation: Receiver 4-3
4.2 Receiver
Figure 4-2. UHF Receiver Block Diagram
4.2.1 Receiver Front-End
(Refer to the UHF Receiver Front-End Schematic Diagram on page 9-84 and the UHF Transmitter
Schematic Diagram on page 9-89.)
The RF signal is received by the antenna and applied to a low-pass filter. For UHF, the filter consists
of L101, L102, C102, C103, C104. The filtered RF signal is passed through the antenna switch. The
antenna switch circuit consists of two PIN diodes (CR101 and CR102) and a pi network (C106, L104
and C107).The signal is then applied to a varactor tuned bandpass filter. The UHF bandpass filter
comprises of L301, L302, C302, C303, C304, CR301 and CR302. The bandpass filter is tuned by
applying a control voltage to the varactor diodes (CR301 and CR302) in the filter.
The bandpass filter is electronically tuned by the DACRx from IC404 which is controlled by the
microprocessor. Depending on the carrier frequency, the DACRx will supply the tuned voltage to the
varactor diodes in the filter. Wideband operation of the filter is achieved by shifting the bandpass filter
across the band.
The output of the bandpass filter is coupled to the RF amplifier transistor Q301 via C307. After being
amplified by the RF amplifier, the RF signal is further filtered by a second varactor tuned bandpass
filter, consisting of L306, L307, C313, C317, CR304 and CR305.
Both the pre and post-RF amplifier varactor tuned filters have similar responses. The 3 dB bandwidth
of the filter is about 50 MHz. This enables the filters to be electronically controlled by using a single
control voltage which is DACRx.
Crystal
Filter
Mixer
Varactor
Tuned Filter
RF Amp
Varactor
Tuned Filter
Pin Diode
Antenna
Switch
RF Jack
Antenna
Control Voltage
from ASFIC
First LO
from VCO
Second LO
IF Amp
455kHz
Filter
Switch
455kHz
Filter
455kHz
Filter
Switch
Demodulator
RSSI
Limiter
Recovered Audio
BW SEL
U301

Table of Contents

Other manuals for Motorola HT Series

Related product manuals