EasyManua.ls Logo

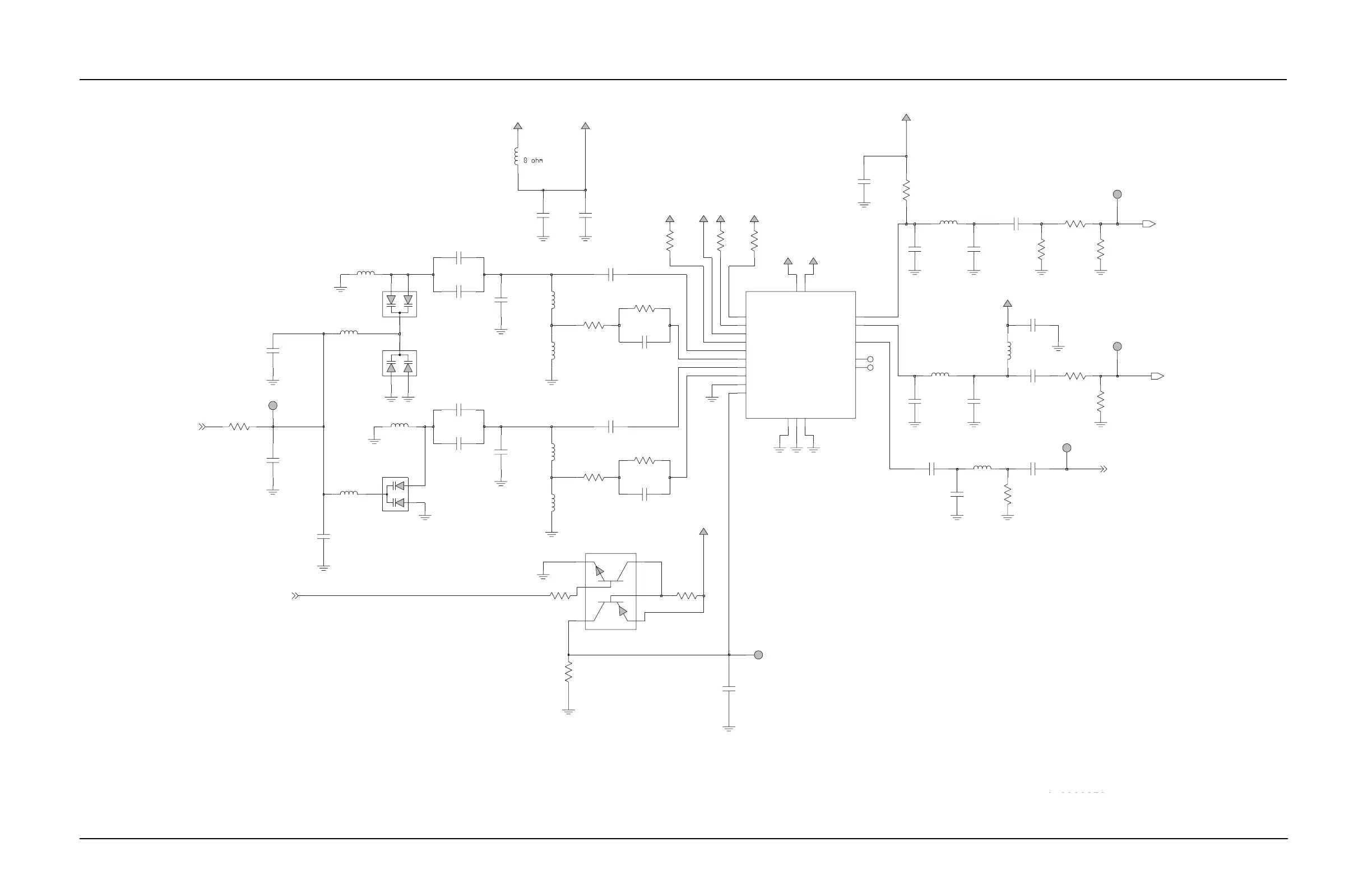
Motorola XTS 2500I - Figure 9.1-14. PMLD4303 A; PMLD4303 D; PMLD4264 B; PMLD4264 E Frequency Generation Unit (FGU) Schematic - Sheet 2 of 3

Motorola XTS 2500I
914 pages
To Next Page IconTo Next Page
To Next Page IconTo Next Page
To Previous Page IconTo Previous Page
To Previous Page IconTo Previous Page
Loading...
VHF Schematics, Board Overlays, and Parts Lists 9.1-15
6816985H01-F February 14, 2012
Figure 9.1-14. PMLD4303A/ PMLD4303D/ PMLD4264B/ PMLD4264E Frequency Generation Unit (FGU) Schematic – Sheet 2 of 3
C276
0.5pF
4.6VSF_VCO
D251
470
R275R273
470
C266
2.2pF
R294
330
4.6VSF_OUT
R272
200
33
330pF
R270
1.8pF
C275
3.3pF
C273
C278
C254
L266
5.1pF
180nH
L254
11.87nH
L253
18.08nH
D270
TEST_POINT
TP297
1
D252
TEST_POINT
TP298
1
NC
33nH
L274
330pF
C279
TP291
TEST_POINT
1
C258
330pF
R255
1K
R295
10K
330pF
39nH
C294
L273
27nH
L272
19
16
TX_BASE
TX_EMITTER
15
1
TX_IADJ
10
TX_OUT
13
TX_SWITCH
41
SR
EFF
UB
_
CC
V
81
CIGOL_CCVCIGOL_DNG
12
PRESC_OUT
RX_BASE
5
6
RX_EMITTER
2
RX_IADJ
8
RX_OUT
7
RX_SWITCH
3
SUPER_FLTR
TRB_IN
VCOBIC
4
COLL_RFIN
20
FLIP_IN
1
1
SREFF
U
B
_D
N
G
9
G
ALF
_D
N
G
71
15
U250
4.6VSF_VCO
R2744.6VSF_VCO
L270
1uH
330pF
C277
0.5pF
C267
12pF
4.6VSF_VCO
4.6VSF_VCO
4.6VSF_VCO
NC
C253
C296
1000pF
L271
1uH
R271
270
4.6VSF_VCO
330
R266
1
R251
0
1
TEST_POINT
TP296
TEST_POINT
TP299
C263
0.5pF
330pF
C262
330pF
C261
R257
10KR277
10K
1uH
L252
330pF
C256
R252
30
C252
12pF
C255
1pF
R291
33
C274
1pF
L251
1uH
33
R293
C257
0.1uF
C286
330pF
330pF
C293
330pF
C292
330
R253
4.6VSF_VCO
4.6VSF_OUT
R254
270K
Q301
C295
.01uF
L259
1uH
4.6VSF_VCO
150nH
C271
L258
11pF
VCTRL
C272
15pF
RX_LO_IN
TXRF_OUT
PRES_IN
TRB

Table of Contents

Related product manuals