EasyManua.ls Logo

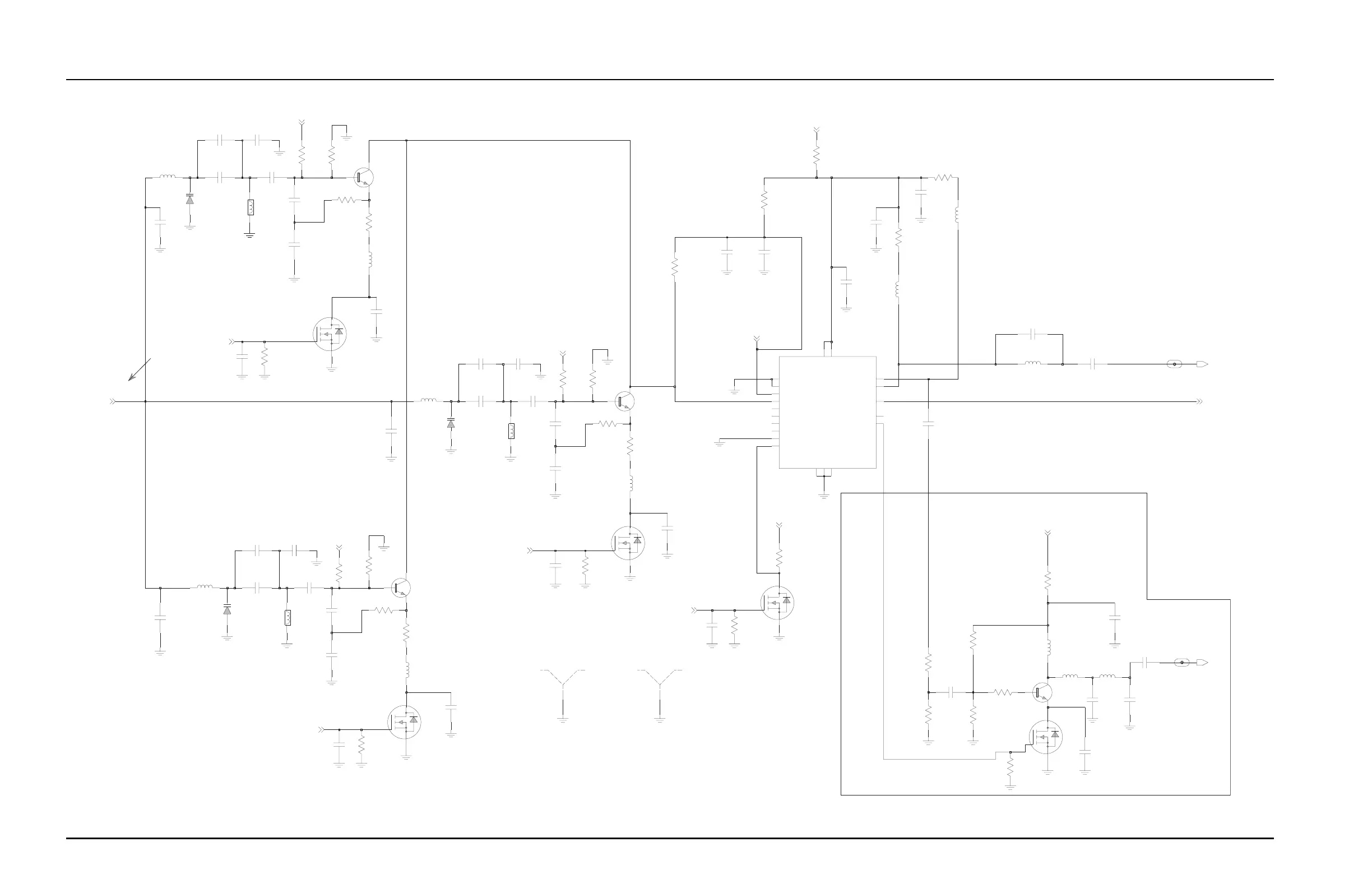
Motorola XTS 2500I - Figure 9.4-13. PMLF4040 F Frequency Generation Unit (FGU) Schematic - Sheet 2 of 3

Motorola XTS 2500I
914 pages
To Next Page IconTo Next Page
To Next Page IconTo Next Page
To Previous Page IconTo Previous Page
To Previous Page IconTo Previous Page
Loading...
9.4-14 700/800 MHz Schematics, Board Overlays, and Parts Lists
February 14, 2012 6816985H01-F
Figure 9.4-13. PMLF4040F Frequency Generation Unit (FGU) Schematic – Sheet 2 of 3
DNP
DNP
Steering Line
2 to 11 VDC
VCO Select Line
0V for RX
VCO TOP SHIELD VCO BOTTOM SHIELD
0.10uF
51K
C284
R224
20K
R261
L230
D211
1
2
18nH
C272
2.2pF
4.7
33pF
R226
0.10uF
C277
C283
C269
33
R289
0
R298
R232
51K
2.2pF
C255
3pF
C252
1.1pF
51K
R227
C270
2
1
2.7pF
C260
30K
R243
2
1
R228
180
150nH
L210
C246
0.10uF
10
R222
1.8pF
C273
IF209
C250
C254
33pF
51K
R221
20K
R235
33pF
C274
20K
R234
L216
150nH
1pF
C282
0.10uF
TX_OUT
10
TX_SWITCH
13
SREFFUB_CCV
14
CIGOL_CCV
18
C262
RX_IADJ
2
RX_OUT
8
RX_SWITCH
7
SUPER_FLTR
3
TRB_IN
19
TX_BASE
16
TX_EMITTER
15
TX_IADJ
1
COLL_RFIN
4
FLIP_IN
20
SREFFUB_DNG
11
GALF_DNG
917
CIGOL_DNG
PRESC_OUT
12
RX_BASE
5
RX_EMITTER
6
U250
50U54
C256
C251
33pF
Y203
1110MHz
33pF
1.8pF
1
2
C265
D210
C267
C271
R225
33pF
IF210
33
R241
0
Q218
220
R237
Q212
R231
18
C253
C244
33pF
33pF
C268
1.8pF
C263
150nH
L211
Q214
R239
24K
0
R297
C280
2.4pF
Q213
C279
3.9pF
1.8pF
C275
C281
Q210
2.2pF
C264
Q217
C276
33pF
33pF
C297
1
18
R236
2
3
1
SHIELD
SH203
NE68519
Q216
Q211
5.6K
R262
Q215
330
R220
33pF
C261
L218
R223
20K
150nH
R292
150nH
L215
150nH
33
33pF
C258
L217
960MHz
Y201
33pF
C278
2
15nH
L221
D212
1
51K
R244
22nH
L220
R230
20K
33pF
C296
L212
150nH
2
1
33pF
C266
0.1uF
C224
1
L214
150nH
SHIELD
SH205
150nH
1025MHz
Y202
R229
20K
L219
R238
100
33pF
C245
220
3.0pF
R233
3.0pF
C257
33pF
C231
C259
5V
AUX3
RX_LO
TX_INJ
VSF
5V
VCTRL
VSF
VSF
AUX4
VSF
AUX1
PRESC
AUX2
VSF
2004
1pF
3pF
2.7pF
2005
2.7pF
2006
1.8pF

Table of Contents

Related product manuals