EasyManua.ls Logo

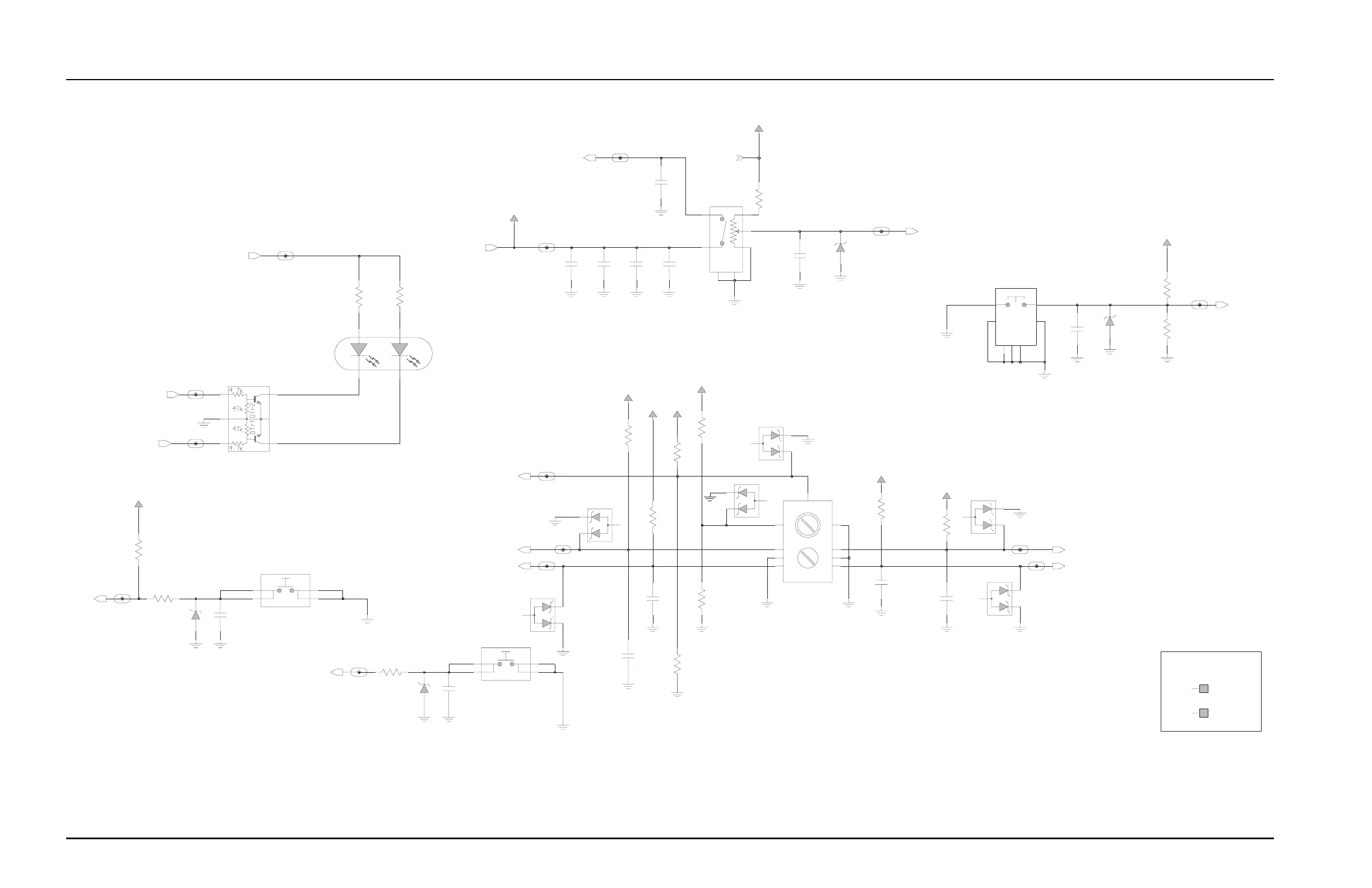
Motorola XTS 2500I - Figure 9.5-19. PMLF4036 A; PMLF4036 B Receiver Schematic - Sheet 2 of 2

Motorola XTS 2500I
914 pages
To Next Page IconTo Next Page
To Next Page IconTo Next Page
To Previous Page IconTo Previous Page
To Previous Page IconTo Previous Page
Loading...
9.5-20 900MHz Schematics, Board Overlays, and Parts Lists
February 14, 2012 6816985H01-F
Figure 9.5-19. PMLF4036A/ PMLF4036B Receiver Schematic – Sheet 2 of 2
NOT PLACED ON BOARD LAYOUT
DNP
TAB1
1
2BAT
3
3BAT
5
4BAT
6
TAB5
7
X
SWITCH
S502
24
DIG_3V
BT2
39pF
IF509
C501
6.8V
NU
1
2
IF501
VR506
6.8V
IF508
R530
10K
47K
R545
R534
10K
IF507
IF516
R511
10K
R504
510
IF512
VR594
5.6V
IF503
R532
10K
4
LOW
15
HIGH
3
6
1BAT
7
2BAT
2
DER
2
N
R
G
3
SWITCH
S501
.01uF
D501
LNJ115W8P0MT
.01uF
C550
IF502
DIG_3V
R507
100
39pF
C502
R535
10K
C593
10uF
.01uF
C553
.01uF
R503
390
IF510
R531
10K
6.8V
12
DIG_3V
6.8V
VR503
39pF
C503
2
VR593
5.6V
NU
6.8V
6.8V
VR507
1
BT1
X
47K
IF513
UNSW_B+
R546
5.6V
VR595
VR596
Q501
1
2
5
3
4
5.6V
10uF
DIG_3V
.01uF
C591
IF504
.01uF
C509
39pF
C520
C505
0.47uF
R510
100
IF511
DIG_3V
VR592
5.6V
6.8V
VR502
12
DIG_3V
A2
2
B1
4
B2
NU
6.8V
SWITCH
S506
SWITCH
1
A1
3
10uF
C590
DIG_3V
R505
6.8K
C592
10uF
47K
R547
C2
C2
C3
C3
S1
1
S2
2
S4
4
S8
8
SWITCH
S500
A
AB
B
C1
1C
39pF
C500
IF505
47K
IF506
1
A1
3
A2
2
B1
4
B2
R512
SWITCH
S504
SWITCH
DIG_3V
R533
10K
VR591
5.6V
DIG_3V
RTA0
RTA3
SB1
DIG_3V
UNSW_B+
RTA1
RTA2
TG2_SEC_CLEAR
VOLUME
MECH_SW
EMERGENC
Y
PTT
SW_B+
GREEN_LED
RED_LED

Table of Contents

Related product manuals