EasyManua.ls Logo

Motostar ECLISTAR - Command Devices

Motostar ECLISTAR
36 pages
Print Icon
To Next Page IconTo Next Page
To Next Page IconTo Next Page
To Previous Page IconTo Previous Page
To Previous Page IconTo Previous Page
Loading...
A)
B)
C)
D)
Pag.
24
24 - Manual code:
119R7179GB
119 R7179 G B ver.
3.0
3.0 07/2009 - The data and information in this manual are subject to change at any time.
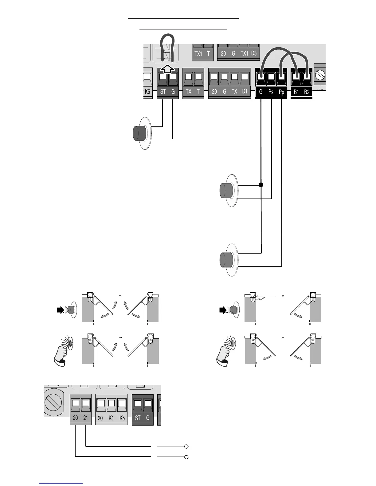
COMMAND DEVICES
N.C. contact for STOP buttons
(remove the bridge wire).
- Stops the gate while
excluding the automatic
closing cycle. To resume
movement press the
command or transmitter
button.
Terminals for powering up 24V
a.c./d.c. accessories, for a max
total of 4W.
N.O. contact for Command buttons, for
C) Pedestrian Opening (opens only one gate leaf for
persons to pass) …
… or, with dip switch 6 ON, for
D) Opening in Maintained Action Mode.
N.O. contact for Command button, for
A) Opening and Closing the gate (see dip switch 2
for which mode) …
… or, with dip switch 6 ON, for
B) Closing in Maintained Action mode.