EasyManua.ls Logo

MTU 12 V 2000 M40A - Sensors, Actuators and Injectors - Overview

MTU 12 V 2000 M40A
246 pages
Print Icon
To Next Page IconTo Next Page
To Next Page IconTo Next Page
To Previous Page IconTo Previous Page
To Previous Page IconTo Previous Page
Loading...
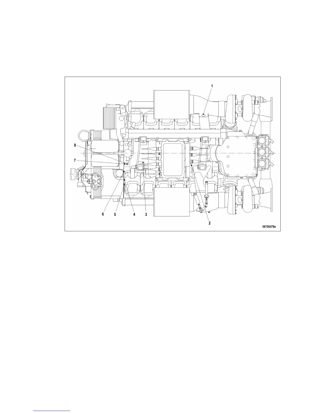
2.5 Sensors, actuators and injectors – Overview
Top view 12V 2000 M
1 B03 (T-Intake air)
2 B10 (P-Charge-air pres‐
sure)
3 B09 (T-Charge air)
4 B5.2 (P-Lube oil)
5 F25 (P-Lube-oil differ‐
ence over filter)
6 B34 (P-Fuel after filter)
7 B07 (T-Lube oil)
8 B05 (P-Lube oil)
32 | General Information | MS150031/05E 2013-01
TIM-ID: 0000012937 - 003

Table of Contents