EasyManua.ls Logo

MTU 12 V 2000 M40A - Page 37

MTU 12 V 2000 M40A
246 pages
Print Icon
To Next Page IconTo Next Page
To Next Page IconTo Next Page
To Previous Page IconTo Previous Page
To Previous Page IconTo Previous Page
Loading...
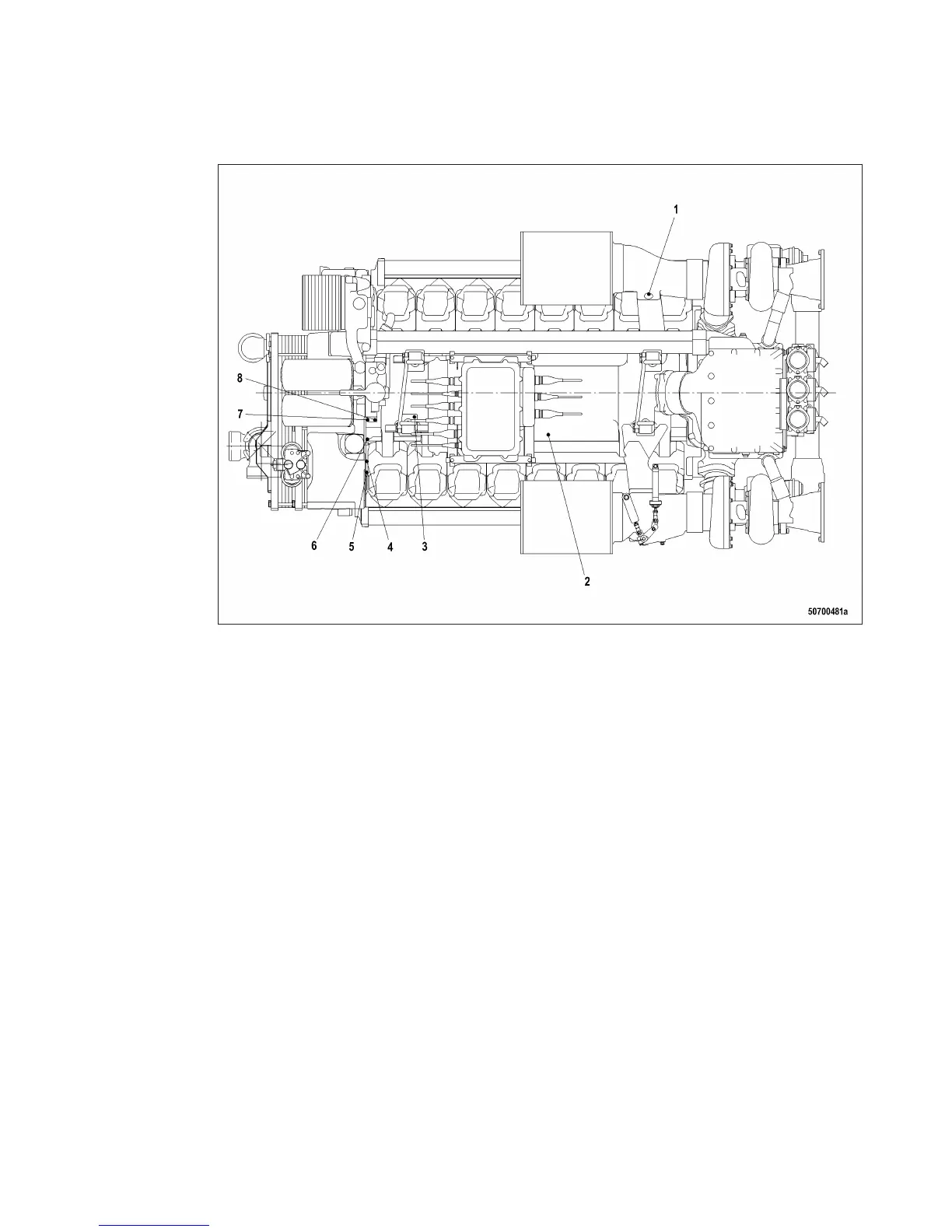
Top view 16V 2000 M
1 B03 (T-Intake air)
2 B10 (P-Charge air)
3 B09 (T-Charge air)
4 B5.2 (P-Lube oil)
5 F25 (P-Lube-oil differ‐
ence over filter)
6 B34 (P-Fuel after filter)
7 B07 (T-Lube oil)
8 B05 (P-Lube oil)
MS150031/05E 2013-01 | General Information | 37
TIM-ID: 0000012937 - 003

Table of Contents