EasyManua.ls Logo

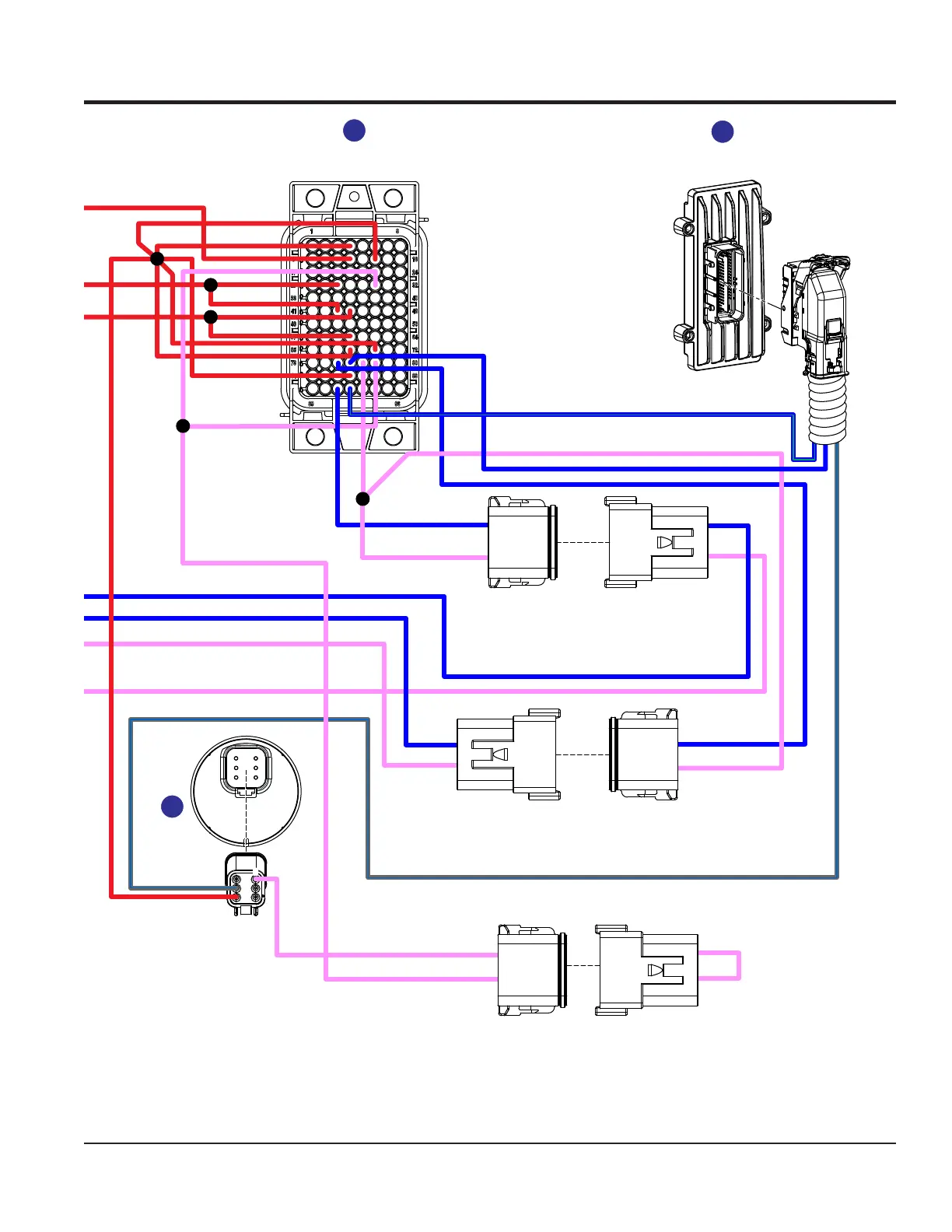
MULTIQUIP WHITEMAN MD105 - Power and Ignition Wiring Diagram (Cont.); Key Switch and Seat Switch Wiring

MULTIQUIP WHITEMAN MD105
76 pages
Print Icon
To Next Page IconTo Next Page
To Next Page IconTo Next Page
To Previous Page IconTo Previous Page
To Previous Page IconTo Previous Page
Loading...
MD105 RIDE-ON TROWEL • OPERATION MANUAL — REV. #0 (03/29/24) — PAGE 67
POWER AND IGNITION WIRING DIAGRAM
LEFT
ENGINE
(REAR)
RIGHT
ENGINE
(FRONT)
I
MACHINE
CONTROLLER
B
MAIN
HARNESS
P5
34822-0013
FUSE AND
RELAY BOX
D
BATTERY
POWER POST
MAIN
HARNESS
P11
DT06-6S
Z42
H
BUS BAR
NEGATIVE
BATTERY
CABLE
T3
19193-0267
NEGATIVE
BATTERY
CABLE
T1
19193-0267
POSITIVE
BATTERY
CABLE
T2
19193-0219
POSITIVE
BATTERY
CABLE
T2
19193-0219
POSITIVE
BATTERY
CABLES
T1
19193-0219
POSITIVE
BATTERY
CABLE
T4
19193-0219
T5
19069-0219
T6
19069-0219
T7
19069-0219
NEGATIVE
BATTERY
CABLE
T2
19193-0219
NEGATIVE
BATTERY
CABLE
T1
19193-0219
NEGATIVE
BATTERY
CABLE
T3
19193-0219
POSITIVE
BATTERY
CABLE
T2
19193-0219
NEGATIVE
BATTERY
CABLE
T4
19193-0219
T2
START POWER W/B B/YFRAME GROUND START POWER FRAME GROUND
N
H1
Z18
3
2
1
4
5
6
1
2
3
4
Z13
945
11
12
12
11
11
2
MAIN
HARNESS
P8
DT06-12SA
RIGHT
ENGINE
HARNESS
T1
19164-0053
RIGHT
ENGINE
HARNESS
T3
19164-0053
SEAT SWITCH
HARNESS
J1
DT04-12PA
18 AWG
PK
2
Z15
14 AWG RD
14 AWG RD
14 AWG RD
14 AWG RD
14 AWG RD
14 AWG RD
18 AWG PK
18 AWG PK
14 AWG RD
14 AWG RD
14 AWG
RD
LEFT
ENGINE
HARNESS
T2
0190370002
Z10
12
12
1 1
LEFT
ENGINE
HARNESS
T1
0190370002
W/B B/Y
KEY
SWITCH
F1
BATTERY
E
18 AWG
PK
MAIN
HARNESS
P19
DT06-12SA
LEFT ENGINE
HARNESS
J1
DT04-12PA
MAIN
HARNESS
P18
DT06-12SA
RIGHT ENGINE
HARNESS
J1
DT04-12PA
46
18 AWG
GY/BL
20 AWG
BL
18 AWG
BL
18 AWG
PK
18 AWG
PK
18 AWG
PK
18 AWG
PK
18 AWG
BL
18 AWG
BL
18 AWG
BL
20 AWG
BL/GN
18 AWG
RD
18 AWG
PK
18 AWG
PK
12 AWG
RD
12 AWG
RD
12 AWG
RD
6 AWG RD
6 AWG BK
6 AWG BK
6 AWG RD
6 AWG RD
4 AWG
BK

Related product manuals