EasyManua.ls Logo

MULTIQUIP WHITEMAN MD105 - Hydraulic System Diagram; Hydraulic Cylinder and Valve Specifications; Hydraulic Pump, Motor, and Cooler Specs; Hydraulic System Flow and Legend

MULTIQUIP WHITEMAN MD105
76 pages
Print Icon
To Next Page IconTo Next Page
To Next Page IconTo Next Page
To Previous Page IconTo Previous Page
To Previous Page IconTo Previous Page
Loading...
MD105 RIDE-ON TROWEL • OPERATION MANUAL — REV. #0 (03/29/24) — PAGE 75
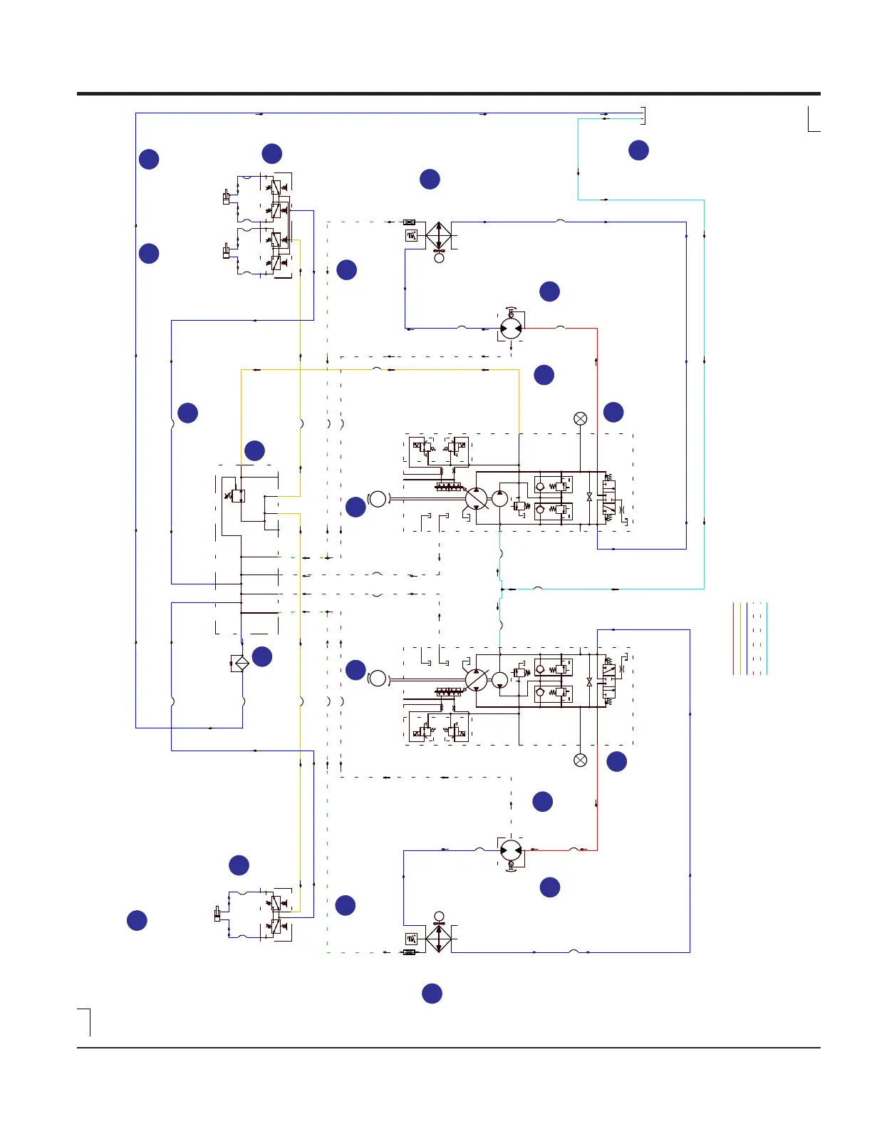
HYDRAULIC SYSTEM DIAGRAM
REV.
A
HYDRAULIC FLOW RESTRICTOR
ORIFICE, LH SIDE
ORIFICE SIZE 0.031"
HYDRAULIC FLOW RESTRICTOR
ORIFICE, RH SIDE
ORIFICE SIZE 0.031"
FAN, COOLER LH SIDE
13" FAN SIZE
1,000 CFM FLOW RATE
FAN, COOLER RH SIDE
13" FAN SIZE
1,000 CFM FLOW RATE
E E
M
EP1EP2
R1R2
M
EP1EP2
R1R2
B
A
DRAIN
1 2
3
1
P
T
2
4
1
2
P
T
A
B
A
B
1
2
B
A
DRAIN
15_16
11
4
8_9
1817
TP_B
19 20
3
21
TPA
G
T2
T1
S
M2 M1
A
M4
M3
B
G
T2
T1
S
M2M1
A
M4
M3
B
A
B
1 2 3
86 7123
8 67
AB A B
HIGH PRESSURE LINES (5,076 PSI)
MID PRESSURE LINES (360 PSI)
RETURN LINES
CASE DRAIN LINES
MOTOR LOOP RETURN LINES
SUCTION LINE
FRONT ENG/PUMP
REAR ENG/PUMP
RIGHT SIDE HYD MOTOR
LEFT SIDE HYD MOTOR
RIGHT SIDE HYD CONTROLS
LEFT SIDE HYD CONTROLS
TEST PORT
FRONT/BACK
LEFT/RIGHT
FRONT/BACK
TEE1
1 2
3
. .. .
. .
.
.
. .
.
.
. .
.
.
. .
. . . .
. .
. .
. .
. .
. .
. .
. .
. .
. .
. .
. .
. .
. .
. .
. .
. .
HS2
HS10
HS1
A
B
HS12
A
B
HS13
A
B
HS14
A
B
HS23
A
B
HS22
A
B
HS3
A
B
HS5
A
B
HS6
A
B
HS7
A
B
HS11
A
B
HS4
A
B
HS25
A
B
HS24
A
B
HS27
A
B
HS26
A
B
HS18
AB
HS19
A B
HS9
A B
HS8
AB
HS16
AB
HS15
A B
HS17
A B
HS21
AB
HS20
AB
3.1701 GPM
870 PSI RATED
LEFT
STEERING
VALVE
C
3.1701 GPM
870 PSI RATED
RIGHT
STEERING
VALVE
A
398 CC
MAX. TORQUE @ MAX. PRESSURE 1,868 LBF∙FT
MAX. MOTOR SPEED 285 RPM
MAX. OPERATING PRESSURE 400 BAR (5,801 PSI)
T4 SPEED SENSOR
LEFT
HYDRAULIC
MOTOR
E
398 CC
MAX. TORQUE @ MAX. PRESSURE 1,868 LBF∙FT
MAX. MOTOR SPEED 285 RPM
MAX. OPERATING PRESSURE 400 BAR (5,801 PSI)
T4 SPEED SENSOR
RIGHT
HYDRAULIC
MOTOR
N
HONDA, IGX800
GASOLINE 24.8 HP
EFI ELEC. THRTL. CTRL.
IDLE RPM 1,500
OPERATING RPM 3,600
REAR
ENGINE
Q
HONDA, IGX800
GASOLINE 24.8 HP
EFI ELEC. THRTL. CTRL.
IDLE RPM 1,500
OPERATING RPM 3,600
FRONT
ENGINE
H
PUMP, HYDRAULIC, VARIABLE DISPLACEMENT W/ INTERNAL CHARGE
DISPLACEMENT 18 CC MAIN, RELIEF 350 BAR (5,076 PSI)
CHARGE 5 CC, RELIEF SETTING 360 PSI
MAX FLOW @ 3,600 RPM 17.1 GPM / CHARGE 4.75 GPM
LEFT
HYDRAULIC
PUMP
G
PUMP, HYDRAULIC, VARIABLE DISPLACEMENT W/ INTERNAL CHARGE
DISPLACEMENT 18 CC MAIN, RELIEF 350 BAR (5,076 PSI)
CHARGE 5 CC, RELIEF SETTING 360 PSI
MAX FLOW @ 3,600 RPM 17.1 GPM / CHARGE 4.75 GPM
RIGHT
HYDRAULIC
PUMP
I
0 – 5,800 PSI
LEFT
PRESSURE
TRANSDUCER
R
0 – 5,800 PSI
RIGHT
PRESSURE
TRANSDUCER
S
BI-METAL IMMERSION, TYPE TT
TEMP. SET POINT 117°NO–120°NC
LEFT
HYDRAULIC
TEMP. SWITCH
T
BI-METAL IMMERSION, TYPE TT
TEMP. SET POINT 117°NO–120°NC
RIGHT
HYDRAULIC
TEMP. SWITCH
U
2.5" × 1.5" × 0.75"
EFFECTIVE BORE AREA 4.909 SQ. IN.
EFFECTIVE ROD AREA 4.467 SQ. IN.
WORKING PRESSURE 270 PSI
RATED PRESSURE 500 PSI
LEFT
HYDRAULIC
CYLINDER
F
2.5" × 1.5" × 0.75"
EFFECTIVE BORE AREA 4.909 SQ. IN.
EFFECTIVE ROD AREA 4.467 SQ. IN.
WORKING PRESSURE 270 PSI
RATED PRESSURE 500 PSI
RIGHT
HYDRAULIC
CYLINDER
M
2.5" × 1.5" × 0.75"
EFFECTIVE BORE AREA 4.909 SQ. IN.
EFFECTIVE ROD AREA 4.467 SQ. IN.
WORKING PRESSURE 270 PSI
RATED PRESSURE 500 PSI
REAR
HYDRAULIC
CYLINDER
P
MAX. FLOW 20 GPM
BYPASS: 5 PSI DIFFERENTIAL
PRESSURE RATING 100 PSID (250 PSI ABS)
10μ ABS GLASS FIBER ELEMENT
HYDRAULIC
FILTER
L
PRESSURE
REDUCTION VALVE
K
RELIEF SET TO 270 PSI
MAX. FLOW 4 GPM
MAX. OPERATING PRESSURE 3,000 PSI
HYDRAULIC
MANIFOLD
J
2 PRESSURE SUPPLY PORTS
6 TANK RETURN PORTS
TPA - CHARGE PRESSURE TEST PORT
TPB - PRESSURE REG. TEST PORT
LEFT
HYDRAULIC
COOLER
D
MAX. PRESSURE RATING 500 PSI
MAX. FLOW 33.0 GAL./MIN.
MAX. OPERATING TEMP. 250°F
HEAT DISSIPATION 7,200 J/S
RIGHT
HYDRAULIC
COOLER
O
MAX. PRESSURE RATING 500 PSI
MAX. FLOW 33.0 GAL./MIN.
MAX. OPERATING TEMP. 250°F
HEAT DISSIPATION 7,200 J/S
HYDRAULIC
OIL RESERVOIR
B
CYCLONE RESERVOIR
1.28 GALLONS
MAX OPERATING FLOW 13GPM
MIN OPERATING FLOW 6.5GPM
SHEET
1_OF_1

Related product manuals