EasyManua.ls Logo

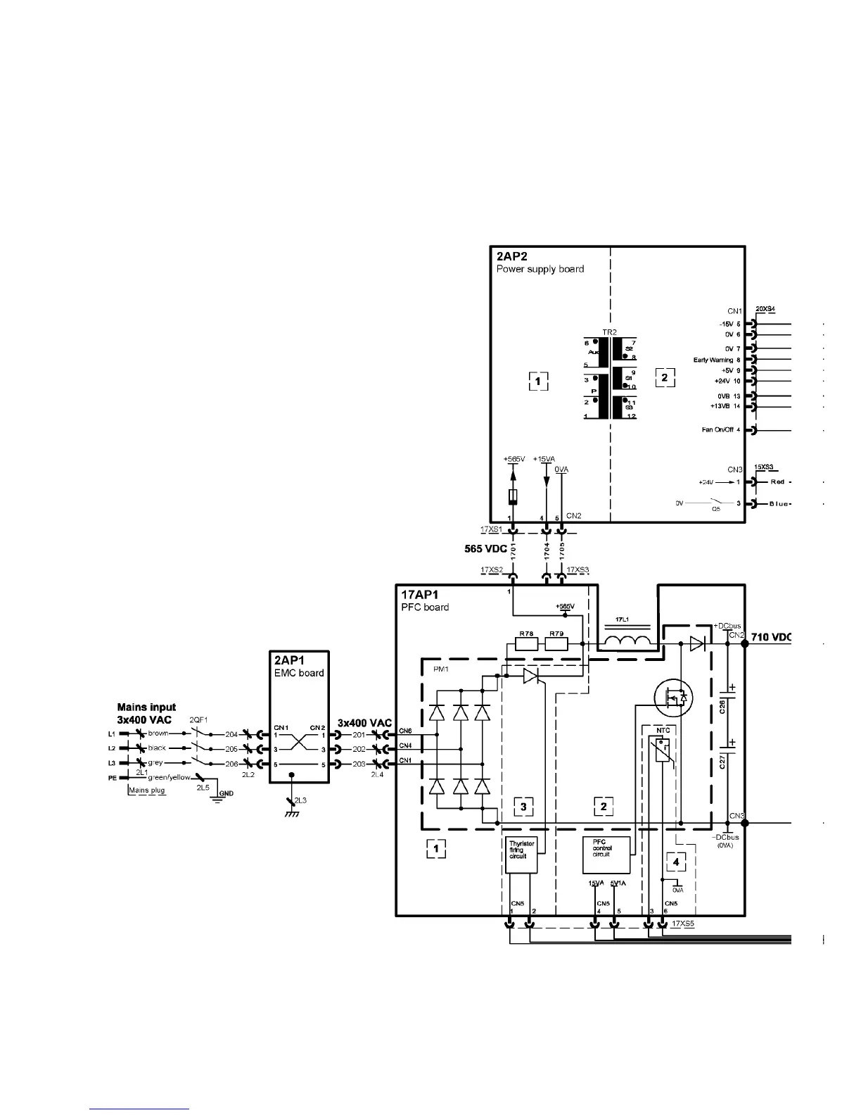
Murex Transarc 250 - Diagram

Murex Transarc 250
28 pages
Print Icon
To Next Page IconTo Next Page
To Next Page IconTo Next Page
To Previous Page IconTo Previous Page
To Previous Page IconTo Previous Page
Loading...
Edition 080825
Diagram
-- 1 6 --
bh34e

Related product manuals